Оригинальные каталоги
| № | Номер | Наименование | Цена | |
|---|---|---|---|---|
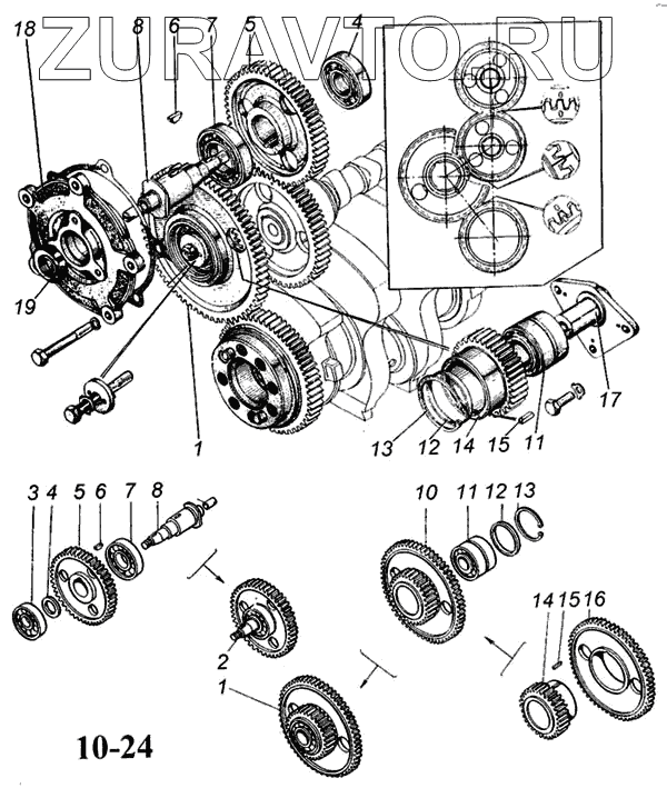
| 1 | 740.1029114 | 740.1029114 - шестерня ведущая 740.1029114 | Нет в продаже |
|
| 2 | 7405.1029120 | Шестерня ведомая привода топливного насоса в сборе | Нет в продаже |
|
| 3 | 7405.1029032 | 7405.1029032 - втулка 7405.1029032 | Нет в продаже |
|
| 4 | 206 | Подшипник шариковый радиальный однорядный ГОСТ 520-89 | Нет в продаже |
|
| 5 | 740.1006214 | Шестерня вала распределительного привода ТНВД КАМАЗ-65115, 6520 КАМАЗ ПАО |
3914 Р
|
|
| 6 | 870810 | 870810 - шпонка 870810 | Нет в продаже |
|
| 7 | 207К5 | Подшипник шариковый радиальный однорядный ГОСТ 520-89 | Нет в продаже |
|
| 8 | 740.11-1029154 | Вал ведомой шестерни | Нет в продаже |
|
| 10 | 740.1029115 | 740.1029115 - шестерня ведущая привода 740.1029115 | Нет в продаже |
|
| 11 | 740.1029118 | Подшипник 97506 | Нет в продаже |
|
| 12 | 740.1029034 | Кольцо упорное | Нет в продаже |
|
| 13 | 862806 | Кольцо Б 62 ГОСТ 13943-68 | Нет в продаже |
|
| 14 | 740.1029116 | Шестерня ведущая | Нет в продаже |
|
| 15 | 870824 | 870824 - шпонка 870824 | Нет в продаже |
|
| 16 | 740.1029126 | Шестерня промежуточная | Нет в продаже |
|
| 17 | 740.1029128 | Ось ведущей шестерни привода распредвала (КАМАЗ) |
2527 Р
|
|
| 18 | 740.1029176 | Корпус заднего подшипника в сб. (КАМАЗ) |
4166 Р
|
|
| 19 | 740.1029240 | 740.1029240 - манжета в сборе 740.1029240 | Нет в продаже |
|
1
1
2
3
4
4
5
5
6
6
7
7
8
8
10
11
11
12
12
13
13
14
14
15
15
16
17
18
19
Содержащиеся в справочниках-каталогах запасные части и детали носят исключительно информационный характер