Оригинальные каталоги
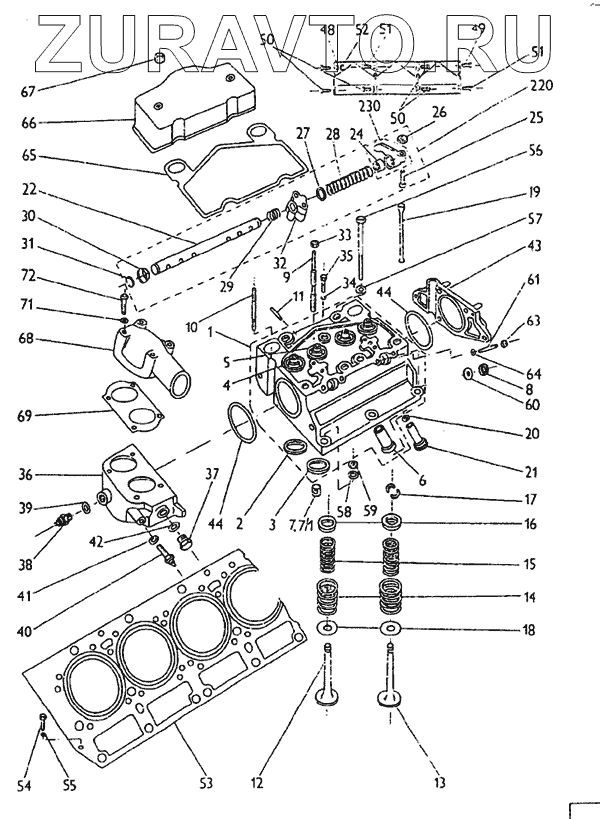
| № | Номер | Наименование | Цена | |
|---|---|---|---|---|
| 1 | 442 17031 123 5 | Головка цилиндров (в комплекте) с клапанами | Нет в продаже |
|
| 100 | 442 17031 021 5 | Головка цилиндров (в комплекте) с направляющей клапанов и седлами | Нет в продаже |
|
| 2 | 442 11215 010 5 | Седло всасывающего клапана | Нет в продаже |
|
| 3 | 442 11215 011 5 | Седло выпускного клапана | Нет в продаже |
|
| 4 | 442 11261 013 5 | Направляющая всасывающего клапана | Нет в продаже |
|
| 5 | 442 11261 014 5 | Направляющая выпускного клапана | Нет в продаже |
|
| 6 | 442 11262 001 5 | Направляющая толкателя | Нет в продаже |
|
| 7 | 442 15078 003 5 | Втулка направляющая | Нет в продаже |
|
| 70 | 442 15078 002 5 | Втулка направляющая | Нет в продаже |
|
| 8 | 442 15091 005 5 | Кольцо уплотнительное | Нет в продаже |
|
| 9 | 442 15221 004 5 | Винт кронштейна коромысла и крышки головок цилиндров | Нет в продаже |
|
| 10 | 442 15221 005 5 | Винт всасывающего трубопровода | Нет в продаже |
|
| 11 | 442 15221 009 5 | Болт | Нет в продаже |
|
| 12 | 442 11209014 5 | Всасывающий клапан d57 | Нет в продаже |
|
| 13 | 442 11209 015 5 | Выпускной клапан d50 | Нет в продаже |
|
| 14 | 442 15051 030 5 | Внешняя пружина клапана | Нет в продаже |
|
| 15 | 442 15051 031 5 | Внутренняя пружина клапана | Нет в продаже |
|
| 16 | 442 15111 005 5 | Тарелка клапанов | Нет в продаже |
|
| 17 | 442 11355 004 5 | Коническая двухсоставная втулка | Нет в продаже |
|
| 18 | 442 15101 014 5 | Шайбы под пружины клапанов | Нет в продаже |
|
| 19 | 442 11160010 5 | Рычаг | Нет в продаже |
|
| 20 | 442 15069 002 5 | Проволочный предохранитель | Нет в продаже |
|
| 21 | 442 17012 010 5 | Толкатель в комплекте | Нет в продаже |
|
| 220 | 442 17341 006 5 | Ось коромысел с коромыслами и кронштейнами в комплекте | Нет в продаже |
|
| 22 | 442 17341 005 5 | Ось коромысел в комплекте | Нет в продаже |
|
| 230 | 442 17015 015 5 | Коромысло с втулкой в комплекте | Нет в продаже |
|
| 24 | 442 15031 044 5 | Втулка | Нет в продаже |
|
| 25 | 442 15023 011 5 | Шаровой шарнир коромысла | Нет в продаже |
|
| 26 | [Гайка М10х1 СSN 02 1402.50] | Гайка М10х1 СSN 02 1402.50 | Нет в продаже |
|
| 27 | 442 15101 016 5 | Шайба | Нет в продаже |
|
| 28 | 442 15051 023 5 | Средняя пружина коромысел | Нет в продаже |
|
| 29 | 442 15051 022 5 | Внешняя пружина коромысел | Нет в продаже |
|
| 30 | 442 15099 013 5 | Кольцо оси коромысел | Нет в продаже |
|
| 31 | [Кольцо стопорное 22 СSN 02 2925.1] | Кольцо стопорное 22 СSN 02 2925.1 | Нет в продаже |
|
| 32 | 442 11100 005 5 | Кронштейн коромысел | Нет в продаже |
|
| 33 | [Гайка М10 СSN 02 1401.55] | Гайка М10 СSN 02 1401.55 | Нет в продаже |
|
| 34 | [Шайба 10 СSN 02 174102] | Шайба 10 СSN 02 174102 | Нет в продаже |
|
| 35 | [Болт М10х75 СSN 02 1101.55] | Болт М10х75 СSN 02 1101.55 | Нет в продаже |
|
| 36 | 442 11004 016 5 | Передняя крышка головок цилиндров | Нет в продаже |
|
| 37 | [Пробка М30х1,5 СSN 02 1915 15] | Пробка М30х1,5 СSN 02 1915 15 | Нет в продаже |
|
| 38 | [Термостат ТН472-Z-103-D] | Термостат ТН472-Z-103-D | Нет в продаже |
|
| 39 | 319 419 530 320 | Кольцо уплотнительное 22х27 СSN 02 9310.3 | Нет в продаже |
|
| 40 | 443 429 110 050 | Датчик электрического термометра | Нет в продаже |
|
| 41 | 319 419 520 320 | Кольцо уплотнительное 14х18 СSN 02 9310.3 | Нет в продаже |
|
| 42 | 319 419 540 220 | Кольцо уплотнительное 30х38 СSN 02 9310.3 | Нет в продаже |
|
| 43 | 442 11004 005 5 | Задняя крышка головок цилиндров | Нет в продаже |
|
| 44 | 442 15417 008 5 | Кольцо 100х90 | Нет в продаже |
|
| 48 | [Шайба 10 СSN 02 1741.02] | Шайба 10 СSN 02 1741.02 | Нет в продаже |
|
| 49 | [Болт М10х40 СSN 02 1101.55] | Болт М10х40 СSN 02 1101.55 | Нет в продаже |
|
| 50 | [Болт М10х45 СSN 02 1101.55] | Болт М10х45 СSN 02 1101.55 | Нет в продаже |
|
| 51 | [Болт М10х50 СSN 02 1101.55] | Болт М10х50 СSN 02 1101.55 | Нет в продаже |
|
| 52 | [Гайка М10 СSN 02 1403.55] | Гайка М10 СSN 02 1403.55 | Нет в продаже |
|
| 53 | 442 15430 016 5 | Уплотнение головок цилиндров | Нет в продаже |
|
| 54 | [Болт М6х10 СSN 02 1131.25] | Болт М6х10 СSN 02 1131.25 | Нет в продаже |
|
| 55 | [Шайба 6,4 СSN 02 1702.12] | Шайба 6,4 СSN 02 1702.12 | Нет в продаже |
|
| 56 | 442 15238 029 5 | Винт головки цилиндров | Нет в продаже |
|
| 57 | 442 15101 036 5 | Шайба | Нет в продаже |
|
| 58 | [Шайба 10,5 СSN 02 1702.15] | Шайба 10,5 СSN 02 1702.15 | Нет в продаже |
|
| 59 | [Гайка М10 СSN 02 1401.55] | Гайка М10 СSN 02 1401.55 | Нет в продаже |
|
| 60 | 442 15428 001 5 | Прокладка жиклера (форсунки) | Нет в продаже |
|
| 61 | 442 15221 006 5 | Винт держателя жиклера (форсунки) | Нет в продаже |
|
| 63 | [Гайка М8 СSN 02 1401.55] | Гайка М8 СSN 02 1401.55 | Нет в продаже |
|
| 64 | [Шайба 8,4 СSN 02 1702.15] | Шайба 8,4 СSN 02 1702.15 | Нет в продаже |
|
| 65 | 442 15401 105 5 | Уплотнение крышки головок | Нет в продаже |
|
| 66 | 442 11005 005 5 | Крышка головок цилиндров | Нет в продаже |
|
| 67 | [Гайка М10 СSN02 143125] | Гайка М10 СSN02 143125 | Нет в продаже |
|
| 68 | 442 13272 014 5 | Горловина термостата | Нет в продаже |
|
| 69 | 442 15401054 5 | Уплотнение горловины | Нет в продаже |
|
| 71 | [Шайба 8,4 СSN 02 1702.12] | Шайба 8,4 СSN 02 1702.12 | Нет в продаже |
|
| 72 | [Болт М8х85 СSN 02 1101.55] | Болт М8х85 СSN 02 1101.55 | Нет в продаже |
|
1
100
2
3
4
5
6
7
70
70
8
9
10
11
12
13
14
15
16
17
18
19
20
21
220
22
230
24
25
26
27
28
29
30
31
32
33
34
35
36
37
38
39
40
41
42
43
44
44
48
49
50
50
51
51
52
53
54
55
56
57
58
59
60
61
63
64
65
66
67
68
69
71
72
Содержащиеся в справочниках-каталогах запасные части и детали носят исключительно информационный характер