Оригинальные каталоги
| № | Номер | Наименование | Цена | |
|---|---|---|---|---|
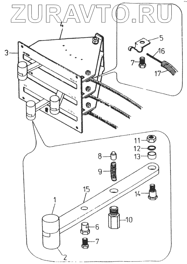
| 443 521 400 000 | 443 521 400 000 | Панель управления | Нет в продаже |
|
| 1 | 443 962 060 001 | Половина рукояти I | Нет в продаже |
|
| 2 | 443 961 120 033 | Половина рукояти II | Нет в продаже |
|
| 3 | 443 963 005 014 | Щиток панели | Нет в продаже |
|
| 4 | 443 060 521 799 | Рама | Нет в продаже |
|
| 5 | 443 964 203 007 | Кронштейн | Нет в продаже |
|
| 6 | 443 962 121 071 | Держатель тяги | Нет в продаже |
|
| 7 | 309 203 000 512 | Болт М5х12 СSN 02 1103.25 | Нет в продаже |
|
| 8 | 443 961 500 044 | Штифт | Нет в продаже |
|
| 9 | 315 110 032 580 | Пружина | Нет в продаже |
|
| 10 | 443 962 120 001 | Направляющая | Нет в продаже |
|
| 11 | 311 100 100 800 | Гайка М8 СSN 02 1601.25 | Нет в продаже |
|
| 12 | 311 214 000 082 | Шайба 8 СSN 02 1740.05 | Нет в продаже |
|
| 13 | 443 962 000 304 | Кольцо | Нет в продаже |
|
| 14 | 443 961 120 032 | Палец | Нет в продаже |
|
| 15 | 443 963 121 006 | Рычаг | Нет в продаже |
|
| 16 | 443 961 000 170 | Тяга | Нет в продаже |
|
| 17 | 548 615 890 320 | Шланг Боудена | Нет в продаже |
|
443 521 400 000
1
2
3
4
5
6
7
7
8
9
10
11
12
13
14
15
16
17
Содержащиеся в справочниках-каталогах запасные части и детали носят исключительно информационный характер