Оригинальные каталоги
| № | Номер | Наименование | Цена | |
|---|---|---|---|---|
| 221512-П29 | 221512-П29 | Винт М3Х28 | Нет в продаже |
|
| 252134-П2 | 252134-П2 | Шайба 6 пружинная | Нет в продаже |
|
| 685-5206050-1 | 685-5206050-1 | Уплотнитель ветрового стекла | Нет в продаже |
|
| СЛ9-220 | СЛ9-220 | Узел шестерни | Нет в продаже |
|
| 685-5206010 | 685-5206010 | Стекло ветрового окна правое | Нет в продаже |
|
| 685-5206011 | 685-5206011 | Стекло ветрового окна левое | Нет в продаже |
|
| 651-5201012-А | 651-5201012-А | Скоба крепления резиновых профилей | Нет в продаже |
|
| СЛ102Б-811 | СЛ102Б-811 | Рычаг правый | Нет в продаже |
|
| 685-5205018 | 685-5205018 | Ручка стеклоочистителя | Нет в продаже |
|
| 685-5205020 | 685-5205020 | Прокладка стеклоочистителя | Нет в продаже |
|
| 220106-П8 | 220106-П8 | Винт М6Х1Х18 крепления стеклоочистителя | Нет в продаже |
|
| 685-5205010 | 685-5205010 | Втулка | Нет в продаже |
|
| 250760-П29 | 250760-П29 | Гайка М3 | Нет в продаже |
|
| 685-5206054-4 | 685-5206054-4 | Замок уплотнителя ветровых стекол | Нет в продаже |
|
| 685-2060544 | 685-2060544 | Замок уплотнителя ветровых стекол | Нет в продаже |
|
| 685-5205015 | 685-5205015 | Кронштейн стеклоочистителя | Нет в продаже |
|
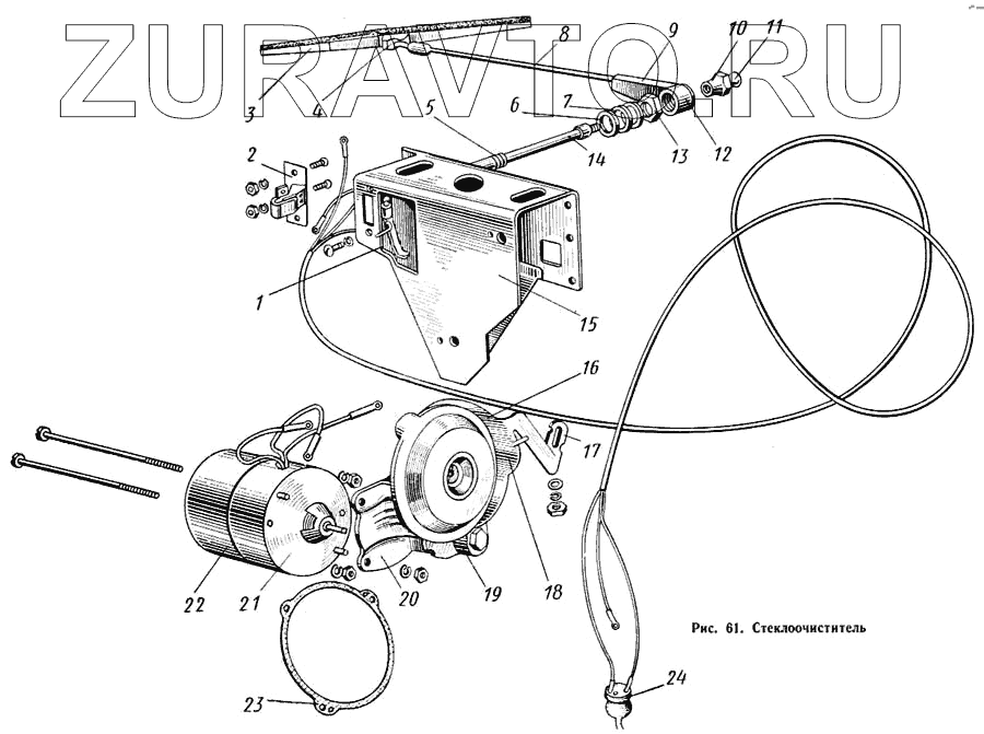
| 1 | СЛ45А-350 | Узел сопротивления | Нет в продаже |
|
| 2 | СЛ45А-360 | Узел предохранителя | Нет в продаже |
|
| 3 | СЛ108-5205900 | Щетка в сборе | Нет в продаже |
|
| 4 | СЛ108-905 | Поводок щетки | Нет в продаже |
|
| 5 | СЛ4-710 | Штуцер в сборе | Нет в продаже |
|
| 6 | СЛ31-011 | Прокладка | Нет в продаже |
|
| 7 | СЛ4-012 | Шайба | Нет в продаже |
|
| 8 | СЛ101Б-8П | Рычаг левый | Нет в продаже |
|
| 9 | СЛ101Б-815 | Пружина | Нет в продаже |
|
| 10 | СЛ101-5205014 | Болт фасонный | Нет в продаже |
|
| 11 | СЛ101-5205015 | Колпачок | Нет в продаже |
|
| 12 | СЛ101В-801А | Муфта | Нет в продаже |
|
| 13 | СЛ45-005 | Гайка | Нет в продаже |
|
| 14 | СЛ-701 | Ось привода | Нет в продаже |
|
| 15 | СЛ104-350 | Кронштейн в сборе | Нет в продаже |
|
| 16 | СЛ104-240 | Серьга в сборе | Нет в продаже |
|
| 17 | СЛ101-370 | Поводок с тягой в сборе | Нет в продаже |
|
| 18 | 30-5205072-Б | Чашка переключателя стеклоочистителя | Нет в продаже |
|
| 19 | СЛ9-201А | Кулачок | Нет в продаже |
|
| 20 | СЛ9-210 | Кожух редуктора в сборе | Нет в продаже |
|
| 21 | СЛ9-101Б | Прокладка | Нет в продаже |
|
| 22 | МЭ14А-3730000-Г | Электродвигатель | Нет в продаже |
|
| 23 | СЛ9-102 | Прокладка | Нет в продаже |
|
| 24 | СЛ101-5205400 | Узел переключателя | Нет в продаже |
|
1
2
3
4
5
6
7
8
9
10
11
12
13
14
15
16
17
18
19
20
21
22
23
24
Содержащиеся в справочниках-каталогах запасные части и детали носят исключительно информационный характер