Оригинальные каталоги
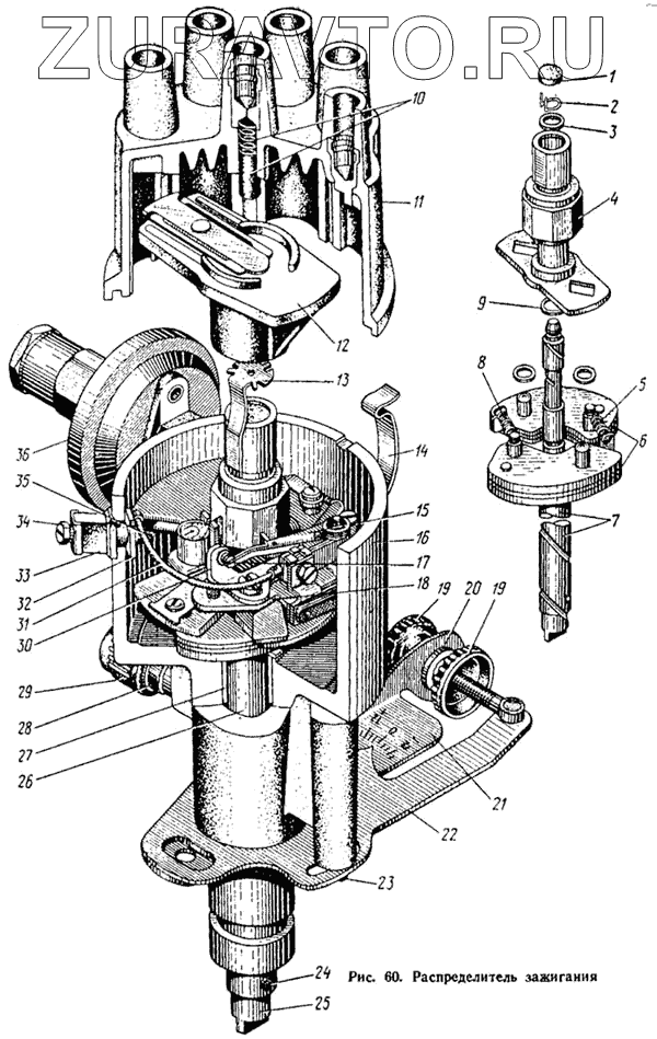
| № | Номер | Наименование | Цена | |
|---|---|---|---|---|
| 1 | Р10-7163 | Прокладка фетровая | Нет в продаже |
|
| 2 | Р50-3706204 | Замок | Нет в продаже |
|
| 3 | Н-1884-П29 | Шайба | Нет в продаже |
|
| 4 | Р4-3706230-В | Втулка с кулачком и пластиной в сборе | Нет в продаже |
|
| 5 | СТ-7308 | Пружина центробежного автомата | Нет в продаже |
|
| 6 | Р4-3706240 | Грузик в сборе | Нет в продаже |
|
| 7 | Р4-3706210 | Валик в сборе | Нет в продаже |
|
| 8 | Р35-3706204 | Пружина центробежного автомата | Нет в продаже |
|
| 9 | Н-1367-П29 | Шайба | Нет в продаже |
|
| 10 | Р41-3706510-Б | Уголек комбинированный с пружиной в сборе | Нет в продаже |
|
| 11 | Р-12-3706500 | Крышка распределителя | Нет в продаже |
|
| 12 | Р4-3706020-В | Бегунок в сборе | Нет в продаже |
|
| 13 | Р4-3706024 | Пружина бегунка | Нет в продаже |
|
| 14 | Р4-3706102 | Пружина крепления крышки | Нет в продаже |
|
| 15 | Р4-3706330 | Рычаг прерывателя в сборе | Нет в продаже |
|
| 16 | Р4-3706100-В | Корпус распределителя в сборе | Нет в продаже |
|
| 17 | Р22-3706380 | Заклепка с контактом в сборе | Нет в продаже |
|
| 18 | Р4-3706300-Д | Пластина прерывателя в сборе | Нет в продаже |
|
| 19 | Р20-3706055-А | Гайка | Нет в продаже |
|
| 20 | Р20-3706056 | Шайба специальная | Нет в продаже |
|
| 21 | Р4-3706031-В | Пластина установочная нижняя | Нет в продаже |
|
| 22 | Р4-3706050-В | Пластина установочная верхняя в сборе | Нет в продаже |
|
| 23 | Н-1956-П29 | Болт | Нет в продаже |
|
| 24 | Н-1525-П8 | Заклепка муфты | Нет в продаже |
|
| 25 | Р35-3706011 | Муфта распределителя | Нет в продаже |
|
| 26 | Р4-3706200-В2 | Валик с центробежным автоматом в сборе | Нет в продаже |
|
| 27 | 1-ИГ-579-А | Втулка корпуса | Нет в продаже |
|
| 28 | Р34-3706110 | Корпус масленки в сборе | Нет в продаже |
|
| 29 | Р-8050-А | Крышка масленки | Нет в продаже |
|
| 30 | Р4-3706370 | Стойка контактная в сборе | Нет в продаже |
|
| 31 | Р4-3706360 | Провод соединительный в сборе | Нет в продаже |
|
| 32 | Р10-7064-А | Втулка изоляционная | Нет в продаже |
|
| 33 | Р10-7061-А | Втулка изоляционная | Нет в продаже |
|
| 34 | Н-1302-П29 | Болт | Нет в продаже |
|
| 35 | Р10-7062 | Стержень клеммы | Нет в продаже |
|
| 36 | Р4-3706600-В | Регулятор вакуумный в сборе | Нет в продаже |
|
1
2
3
4
5
6
7
8
9
10
11
12
13
14
15
16
17
18
19
19
20
21
22
23
24
25
26
27
28
29
30
31
32
33
34
35
36
Содержащиеся в справочниках-каталогах запасные части и детали носят исключительно информационный характер