Оригинальные каталоги
| № | Номер | Наименование | Цена | |
|---|---|---|---|---|
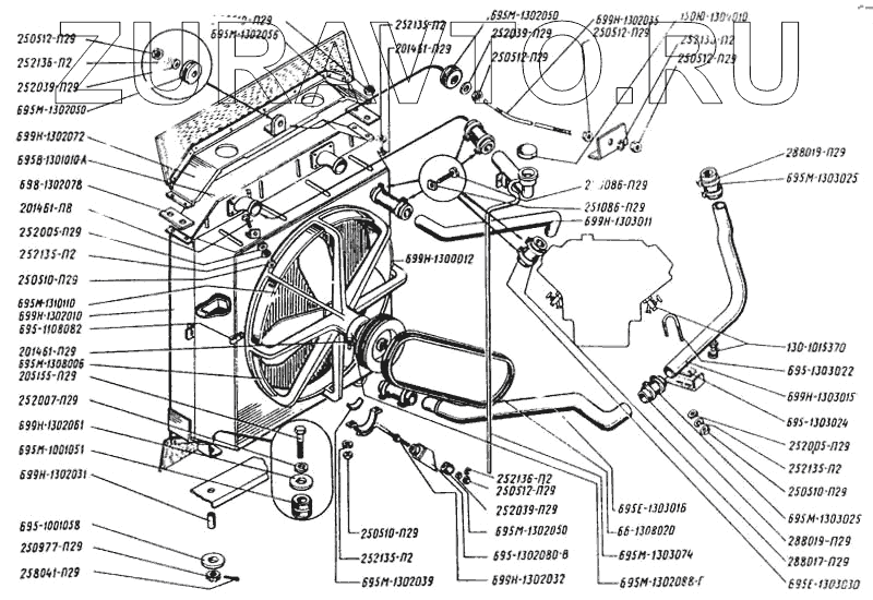
| 258041-П29 | 258041-П29 | Шплинт 3,2х32 | Нет в продаже |
|
| 288017-П29 | 288017-П29 | Хомутик | Нет в продаже |
|
| 695М-1302088-Г | 695М-1302088-Г | Хомут тяги крепления радиатора | Нет в продаже |
|
| 699Н-1302032 | 699Н-1302032 | Тяга с хомутом | Нет в продаже |
|
| 699Н-1302035 | 699Н-1302035 | Тяга крепления радиатора | Нет в продаже |
|
| 699Н-1303015 | 699Н-1303015 | Труба радиатора правая | Нет в продаже |
|
| 695Е-1303016 | 695Е-1303016 | Труба радиатора отводная левая в сборе | Нет в продаже |
|
| 699Н-1303011 | 699Н-1303011 | Труба подводящая | Нет в продаже |
|
| 695-1303022 | 695-1303022 | Стремянка крепления отводной трубы | Нет в продаже |
|
| 695-1302080-В | 695-1302080-В | Скоба тяги крепления радиатора | Нет в продаже |
|
| 288019-П29 | 288019-П29 | Хомутик | Нет в продаже |
|
| 695-1108082 | 695-1108082 | Хомут крепления трубопровода | Нет в продаже |
|
| 699Н-1302061 | 699Н-1302061 | Чашка подушки | Нет в продаже |
|
| 695М-1303025 | 695М-1303025 | Шланг отводящий | Нет в продаже |
|
| 695Е-1303030 | 695Е-1303030 | Шланг впускного патрубка водяного трубопровода | Нет в продаже |
|
| 695-1001058 | 695-1001058 | Шайба специальная | Нет в продаже |
|
| 252136-П2 | 252136-П2 | Шайба 10 пружинная | Нет в продаже |
|
| 252135-П2 | 252135-П2 | Шайба 8 пружинная | Нет в продаже |
|
| 252134-П2 | 252134-П2 | Шайба 6 пружинная | Нет в продаже |
|
| 252039-П29 | 252039-П29 | Шайба | Нет в продаже |
|
| 252007-П29 | 252007-П29 | Шайба 12 | Нет в продаже |
|
| 252005-П29 | 252005-П29 | Шайба 8 | Нет в продаже |
|
| 66-1308020 | 66-1308020 | Ремень вентилятора | Нет в продаже |
|
| 699Н-1300012 | 699Н-1300012 | Радиатор с вентилятором в сборе | Нет в продаже |
|
| 695В-1301010-А | 695В-1301010-А | Радиатор в сборе | Нет в продаже |
|
| 251086-П29 | 251086-П29 | Гайка | Нет в продаже |
|
| 250977-П29 | 250977-П29 | Гайка | Нет в продаже |
|
| 250512-П29 | 250512-П29 | Гайка М10-6Н | Нет в продаже |
|
| 250510-П29 | 250510-П29 | Гайка М8-6Н | Нет в продаже |
|
| 699Н-1302031 | 699Н-1302031 | Втулка распорная | Нет в продаже |
|
| 220086-П29 | 220086-П29 | Винт | Нет в продаже |
|
| 695М-1308006 | 695М-1308006 | Вентилятор со ступицей и накладкой в сборе | Нет в продаже |
|
| 205155-П29 | 205155-П29 | Болт | Нет в продаже |
|
| 201461-П29 | 201461-П29 | Болт | Нет в продаже |
|
| 695М-1303074 | 695М-1303074 | Горловина наливного патрубка радиатора в сборе | Нет в продаже |
|
| 695М-1310110 | 695М-1310110 | Жалюзи радиатора в сборе | Нет в продаже |
|
| 699Н-1302010 | 699Н-1302010 | Кожух радиатора | Нет в продаже |
|
| 695-1303024 | 695-1303024 | Прокладка отводной трубы | Нет в продаже |
|
| 695М-1302056 | 695М-1302056 | Прокладка обоймы радиатора | Нет в продаже |
|
| 698-1302078 | 698-1302078 | Прокладка | Нет в продаже |
|
| 695М-1302039 | 695М-1302039 | Прокладка | Нет в продаже |
|
| 150Ю-1304010 | 150Ю-1304010 | Пробка радиатора в сборе | Нет в продаже |
|
| 695М-1302050 | 695М-1302050 | Подушка подвески радиатора в сборе | Нет в продаже |
|
| 695М-1001051 | 695М-1001051 | Подушка задней опоры двигателя нижняя | Нет в продаже |
|
| 699Н-1302072 | 699Н-1302072 | Обойма верхняя | Нет в продаже |
|
| 130-1015370 | 130-1015370 | Кран сливной в сборе | Нет в продаже |
|
| 201418-П29 | 201418-П29 | Болт М6 | Нет в продаже |
|
258041-П29
288017-П29
695М-1302088-Г
699Н-1302032
699Н-1302035
699Н-1303015
695Е-1303016
699Н-1303011
695-1303022
695-1302080-В
288019-П29
288019-П29
695-1108082
699Н-1302061
695М-1303025
695М-1303025
695Е-1303030
695-1001058
252136-П2
252136-П2
252136-П2
252135-П2
252135-П2
252135-П2
252135-П2
252039-П29
252039-П29
252039-П29
252007-П29
252005-П29
252005-П29
66-1308020
699Н-1300012
695В-1301010-А
251086-П29
251086-П29
250977-П29
250512-П29
250512-П29
250512-П29
250512-П29
250512-П29
250510-П29
250510-П29
250510-П29
699Н-1302031
695М-1308006
205155-П29
201461-П29
201461-П29
201461-П29
695М-1303074
695М-1310110
699Н-1302010
695-1303024
695М-1302056
698-1302078
695М-1302039
150Ю-1304010
695М-1302050
695М-1302050
695М-1302050
695М-1001051
699Н-1302072
130-1015370
Содержащиеся в справочниках-каталогах запасные части и детали носят исключительно информационный характер