Оригинальные каталоги
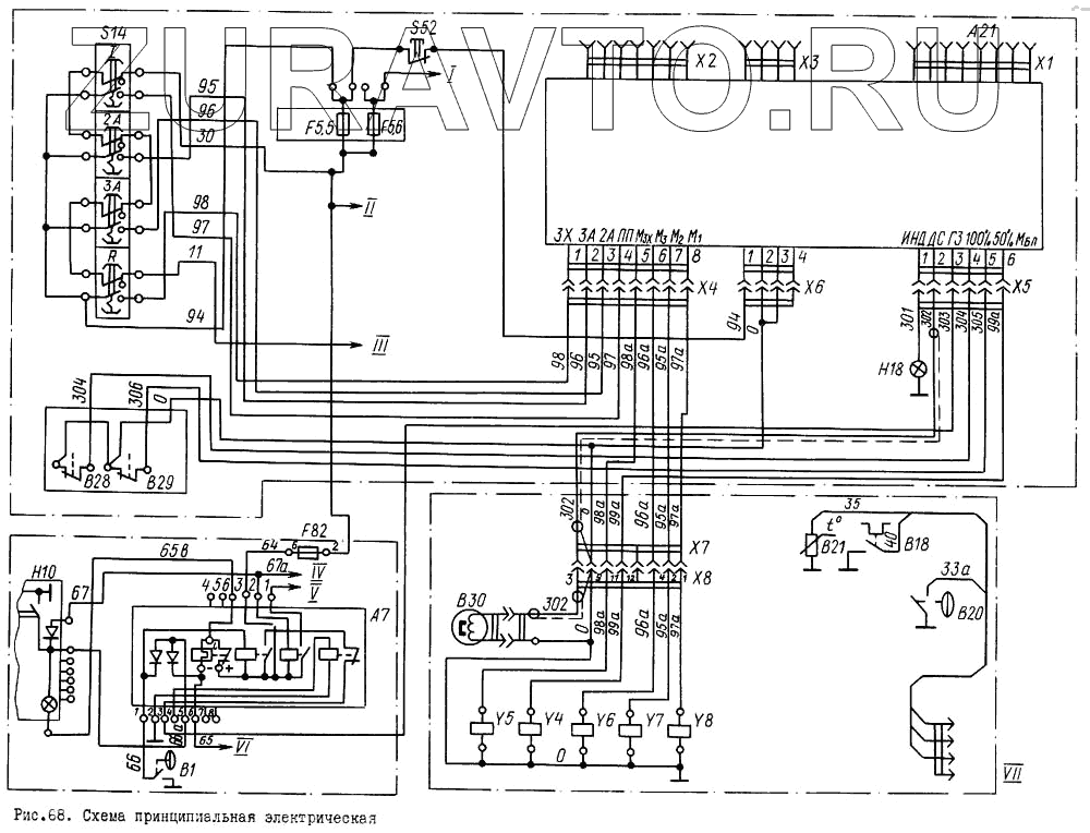
| № | Номер | Наименование | Цена | |
|---|---|---|---|---|
| 2312.3803010-09 | 2312.3803010-09 | Блок контрольных ламп (Н10) | Нет в продаже |
|
| ТМ-100-В | ТМ-100-В | Датчик указателя температуры (В21) | Нет в продаже |
|
| ШР32П129.Ш1 | ШР32П129.Ш1 | Колодка Х8 | Нет в продаже |
|
| 46.3709 | 46.3709 | Контроллер кнопочный | Нет в продаже |
|
| 123.3803 | 123.3803 | Фонарь контрольной лампы (Н18) | Нет в продаже |
|
| 13.3747 | 13.3747 | Электромагнит (блокировка ТДТ) (У4) | Нет в продаже |
|
| 13.3747 | 13.3747 | Электромагнит (включение 1 передачи ГМП) (У8) | Нет в продаже |
|
| 13.3747 | 13.3747 | Электромагнит (включение 2 передачи ГМП) (У7) | Нет в продаже |
|
| 13.3747 | 13.3747 | Электромагнит (включение 3 передачи ГМП) (У6) | Нет в продаже |
|
| 13.3747 | 13.3747 | Электромагнит (включение заднего хода ГМП) (У5) | Нет в продаже |
|
| 11.3843010 | 11.3843010 | Датчик скорости индуктивный (В30) | Нет в продаже |
|
| РС-403-Б | РС-403-Б | Датчик сигнализатора температуры (В18) | Нет в продаже |
|
| ММ-125 | ММ-125 | Датчик сигнализатора давления (В1) | Нет в продаже |
|
| 551.3747 | 551.3747 | Блок функциональный (А7) | Нет в продаже |
|
| В28 | В28 | Включатель сигнала торможения ВК-412 | Нет в продаже |
|
| В29 | В29 | Включатель сигнала торможения ВК-412 | Нет в продаже |
|
| ПР1112/F5,5 | ПР1112/F5,5 | Вставка блока плавких предохранителей на 8А | Нет в продаже |
|
| ПР1112/F5,6 | ПР1112/F5,6 | Вставка блока плавких предохранителей на 8А | Нет в продаже |
|
| ПР1112/F8,2 | ПР1112/F8,2 | Вставка блока плавких предохранителей на 8А | Нет в продаже |
|
| ШР32У12.НШ1 | ШР32У12.НШ1 | Вставка угловая Х7 | Нет в продаже |
|
| 2802.3710.000 | 2802.3710.000 | Выключатель (S52) | Нет в продаже |
|
| ММ-355 | ММ-355 | Датчик давления масла (В20) | Нет в продаже |
|
| А21 (ГМП) | А21 (ГМП) | Электронный блок управления ГМП (47.3761) | Нет в продаже |
|
2312.3803010-09
ТМ-100-В
ШР32П129.Ш1
46.3709
123.3803
13.3747
13.3747
13.3747
13.3747
13.3747
11.3843010
РС-403-Б
ММ-125
551.3747
В28
В29
ПР1112/F5,5
ПР1112/F5,6
ПР1112/F8,2
ШР32У12.НШ1
2802.3710.000
ММ-355
А21 (ГМП)
Содержащиеся в справочниках-каталогах запасные части и детали носят исключительно информационный характер