Оригинальные каталоги
| № | Номер | Наименование | Цена | |
|---|---|---|---|---|
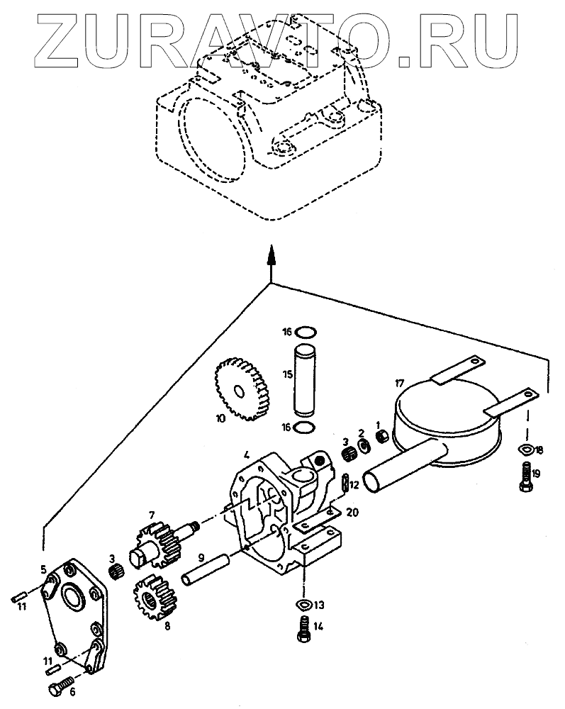
| 58.2268.24 | 58.2268.24 | Насос шестеренный | Нет в продаже |
|
| 56.0382.12 | 56.0382.12 | Корпус в сборе | Нет в продаже |
|
| 1 | 01.0483.87 | Гайка шестигранная ВМ16х1,5 DIN 439 04/05 | Нет в продаже |
|
| 2 | 52.7745.10 | Шайба | Нет в продаже |
|
| 3 | 01.0397.93 | Подшипник 28x35x16 | Нет в продаже |
|
| 4 | Корпус | Корпус | Нет в продаже |
|
| 5 | Крышка | Крышка | Нет в продаже |
|
| 6 | 01.0750.32 | Болт шестигранный М8х30 DIN 933 8.8-А | Нет в продаже |
|
| 7 | 58.2271.20 | Шестерня в комплекте с валом | Нет в продаже |
|
| 8 | 58.2272.20 | Шестерня в сборе | Нет в продаже |
|
| 9 | 50.5567.31 | Ось ZP | Нет в продаже |
|
| 10 | 52.6764.10 | Шестерня цилиндрическая | Нет в продаже |
|
| 11 | 01.0477.23 | Штифт С10x28 DIN 7979 | Нет в продаже |
|
| 12 | 90.0586.10 | Штифт LG 14x30 | Нет в продаже |
|
| 13 | 01.0250.11 | Шайба пружинная В10 DIN 137 | Нет в продаже |
|
| 14 | 01.0000.84 | Болт шестигранный М10х45 DIN 931 8.8-А | Нет в продаже |
|
| 15 | 50.5600.12 | Труба | Нет в продаже |
|
| 16 | 01.0042.21 | Кольцо уплотнительное 29,2x3 VN 3014 | Нет в продаже |
|
| 17 | 58.2255.12 | Фильтр сетчатый | Нет в продаже |
|
| 18 | 01.0250.11 | Шайба пружинная В10 DIN 137 | Нет в продаже |
|
| 19 | 01.0629.09 | Болт шестигранный М10х20 DIN 933 8.8-А АЗС | Нет в продаже |
|
| 20 | 50.7852.10 | Компенсатор | Нет в продаже |
|
58.2268.24
1
2
3
3
4
5
6
7
8
9
10
11
11
12
13
14
15
16
16
17
18
19
20
Содержащиеся в справочниках-каталогах запасные части и детали носят исключительно информационный характер