Оригинальные каталоги
| № | Номер | Наименование | Цена | |
|---|---|---|---|---|
| 121-1107859 | 121-1107859 | Винт крепления крышки | Нет в продаже |
|
| 375-1107500-В | 375-1107500-В | Камера смесительная в сборе | Нет в продаже |
|
| 130-1107524 | 130-1107524 | Корпус диафрагменного механизма ограничителя числа оборотов коленчатого вала двигателя в сборе | Нет в продаже |
|
| 375-1107400-В | 375-1107400-В | Корпус поплавковой камеры в сборе | Нет в продаже |
|
| 130-1107540-В | 130-1107540-В | Привод дроссельных заслонок в сборе | Нет в продаже |
|
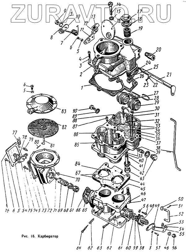
| 1 | 130-1107085 | Прокладка верхнего корпуса | Нет в продаже |
|
| 2 | 130-1107322-Б | Корпус верхний | Нет в продаже |
|
| 3 | 252154-П2 | Шайба 6 пружинная | Нет в продаже |
|
| 3 | 252154-П2 | Шайба 6 пружинная | Нет в продаже |
|
| 4 | 222525-П8 | Винт | Нет в продаже |
|
| 5 | 252153-П2 | Шайба 5 пружинная | Нет в продаже |
|
| 5 | 252153-П2 | Шайба 5 пружинная | Нет в продаже |
|
| 5 | 252153-П2 | Шайба 5 пружинная | Нет в продаже |
|
| 5 | 252153-П2 | Шайба 5 пружинная | Нет в продаже |
|
| 5 | 252153-П2 | Шайба 5 пружинная | Нет в продаже |
|
| 6 | 222498-П8 | Винт | Нет в продаже |
|
| 6 | 222498-П29 | Винт крепления крышки | Нет в продаже |
|
| 6 | 222498-П8 | Винт | Нет в продаже |
|
| 6 | 222498-П8 | Винт | Нет в продаже |
|
| 7 | 121-1107260 | Пружина валика | Нет в продаже |
|
| 8 | 301052-П8 | Болт | Нет в продаже |
|
| 9 | 250508-П8 | Гайка М6х1 | Нет в продаже |
|
| 10 | 130-1107250 | Рычаг воздушной заслонки в сборе | Нет в продаже |
|
| 11 | 121-1107270 | Кронштейн троса воздушной заслонки | Нет в продаже |
|
| 12 | 121-1107275 | Болт зажима троса | Нет в продаже |
|
| 13 | 121-1107274 | Зажим троса | Нет в продаже |
|
| 14 | 121-1107447 | Винт канала игольчатого клапана | Нет в продаже |
|
| 15 | 11-1046 | Прокладка винта | Нет в продаже |
|
| 16 | 130-1107230-Б | Заслонка воздушная с клапаном в сборе | Нет в продаже |
|
| 17 | К80-1107342 | Пробка фильтра подачи горючего | Нет в продаже |
|
| 18 | К80-1107343 | Прокладка пробки | Нет в продаже |
|
| 19 | К80-1107341-Б | Сетка фильтра подачи горючего | Нет в продаже |
|
| 20 | 300304-П8 | Штуцер фильтра | Нет в продаже |
|
| 21 | 130-1107240-Б2 | Валик воздушной заслонки в сборе | Нет в продаже |
|
| 22 | 252132-П2 | Шайба 4 | Нет в продаже |
|
| 23 | 220050-П8 | Винт М4х8 | Нет в продаже |
|
| 24 | 110-1106021 | Прокладка клапана | Нет в продаже |
|
| 25 | 120Д-1107247 | Прокладка | Нет в продаже |
|
| 26 | 130-1107330 | Клапан подачи горючего в сборе | Нет в продаже |
|
| 27 | 121-1107605 | Пружина | Нет в продаже |
|
| 28 | 121-1107627 | Ось рычажка поплавка | Нет в продаже |
|
| 29 | 121-1107660-А | Поплавок с рычажком в сборе | Нет в продаже |
|
| 30 | 130-1107120-Б | Поршень насоса ускорения в сборе | Нет в продаже |
|
| 31 | 375-1107444-Б | Жиклер главный | Нет в продаже |
|
| 32 | К80-1107447-А | Прокладка главного жиклера | Нет в продаже |
|
| 33 | 110-1107073 | Прокладка механического экономайзера | Нет в продаже |
|
| 34 | 110-1107221 | Клапан насоса ускорения игольчатый нагнетательный | Нет в продаже |
|
| 35 | 121-1107441 | Кольцо клапана запорное | Нет в продаже |
|
| 36 | 121-1107428 | Клапан насоса ускорения шариковый впускной | Нет в продаже |
|
| 37 | 375-1107422-В | Корпус поплавковой камеры | Нет в продаже |
|
| 38 | 130-1107554 | Тяга рычага связи | Нет в продаже |
|
| 39 | 130-1107442-Б | Жиклер полной мощности | Нет в продаже |
|
| 40 | 130-1107208-Б | Толкатель механического экономайзера | Нет в продаже |
|
| 41 | 375-1107210 | Экономайзер механический в сборе | Нет в продаже |
|
| 42 | 130-1107184 | Прокладка пробки | Нет в продаже |
|
| 43 | 121-1107214-А | Пробка канала механического экономайзера | Нет в продаже |
|
| 44 | 130-1107089 | Прокладка смесительной камеры | Нет в продаже |
|
| 45 | 375-1107507-Б | Корпус смесительной камеры | Нет в продаже |
|
| 46 | 252155-П2 | Шайба 8 пружинная | Нет в продаже |
|
| 46 | 252155-П2 | Шайба 8 пружинная | Нет в продаже |
|
| 47 | 121-1107042 | Болт крепления смесительной камеры | Нет в продаже |
|
| 48 | 130-1107533-Б2 | Корпус привода дроссельной заслонки в сборе | Нет в продаже |
|
| 49 | 130-1107553 | Рычаг связи дроссельных заслонок | Нет в продаже |
|
| 50 | 110-1107086 | Шайба | Нет в продаже |
|
| 51 | 258000-П29 | Шплинт 1,5х10 | Нет в продаже |
|
| 52 | 130-1107142-В | Тяга насоса ускорения | Нет в продаже |
|
| 53 | 402011-П29 | Винт регулировочный | Нет в продаже |
|
| 54 | 250464-П8 | Гайка М5 | Нет в продаже |
|
| 54 | 250404-П8 | Гайка регулировочного винта | Нет в продаже |
|
| 55 | 130-1107541-В | Рычаг привода | Нет в продаже |
|
| 56 | 250510-П8 | Гайка М8х1 | Нет в продаже |
|
| 57 | 130-1107578 | Винт упора рычага привода | Нет в продаже |
|
| 58 | 130-1107502 | Прокладка корпуса привода дроссельных заслонок | Нет в продаже |
|
| 59 | 130-1107503 | Кольцо подшипника замковое | Нет в продаже |
|
| 60 | 130-1107547-А | Валик привода | Нет в продаже |
|
| 61 | 130-1107814-Б2 | Шариковый радиальный однорядный с защитной шайбой 25х62х17 по ГОСТу № 60018 | Нет в продаже |
|
| 62 | 130-1107436 | Пружина регулировочных игл и болта | Нет в продаже |
|
| 63 | 301495-П29 | Болт регулировочный | Нет в продаже |
|
| 64 | 121-1107434-Б | Игла холостого хода регулировочная | Нет в продаже |
|
| 65 | 375-1107509-Б | Ось дроссельных заслонок с рычагом в сборе | Нет в продаже |
|
| 66 | 130-1107501 | Прокладка корпуса диафрагменного механизма | Нет в продаже |
|
| 67 | 375-1107531-Б | Заслонка дроссельная | Нет в продаже |
|
| 68 | 130-1107506-Б | Манжета уплотнительная | Нет в продаже |
|
| 69 | 130-1107508 | Пружина | Нет в продаже |
|
| 70 | 130-1107537 | Жиклер ограничителя вакуумный | Нет в продаже |
|
| 71 | 130-1107538 | Жиклер ограничителя воздушный | Нет в продаже |
|
| 72 | 130-1107523 | Корпус диафрагменного механизма | Нет в продаже |
|
| 73 | 130-1107589 | Прокладка крышки ограничителя | Нет в продаже |
|
| 74 | 222501-П8 | Винт | Нет в продаже |
|
| 75 | 130-1107525 | Рычаг ограничителя числа оборотов со штифтом для пружины в сборе | Нет в продаже |
|
| 76 | 130-1107586 | Крышка ограничителя | Нет в продаже |
|
| 77 | 130-1107582 | Пружина ограничителя | Нет в продаже |
|
| 78 | 130-1107581-Б | Шайба рычага | Нет в продаже |
|
| 79 | 130-1107596 | Винт пружины | Нет в продаже |
|
| 80 | 258000-П29 | Шплинт 1,5х10 | Нет в продаже |
|
| 81 | 130-1107515 | Диафрагма с тягой в сборе | Нет в продаже |
|
| 82 | 130-1107519 | Диск диафрагмы | Нет в продаже |
|
| 83 | 130-1107565 | Крышка диафрагменного механизма с направляющей втулкой в сборе | Нет в продаже |
|
| 84 | 222963-П29 | Винт крепления дроссельной заслонки | Нет в продаже |
|
| 85 | 258387-П29 | Штифт установочный | Нет в продаже |
|
| 86 | 121-1107044 | Диффузор малый | Нет в продаже |
|
| 87 | 375-1107445-Б | Жиклер воздушный | Нет в продаже |
|
| 88 | 375-1107409-Б | Жиклер холостого хода | Нет в продаже |
|
| 89 | 110-1107177 | Прокладка пробки | Нет в продаже |
|
| 90 | К80-1107076 | Пробка уровня горючего | Нет в продаже |
|
1
2
3
3
4
5
5
5
5
5
5
6
6
6
6
7
8
9
10
11
12
13
14
15
16
17
18
19
20
21
22
23
24
25
26
27
28
29
30
31
32
33
33
34
35
36
37
38
39
40
41
42
43
44
45
46
46
47
48
49
50
51
52
53
54
54
55
56
57
58
59
60
61
61
62
62
63
64
65
66
67
68
69
70
71
72
73
74
75
76
77
78
79
80
81
82
83
84
85
86
87
88
89
90
Содержащиеся в справочниках-каталогах запасные части и детали носят исключительно информационный характер