Оригинальные каталоги
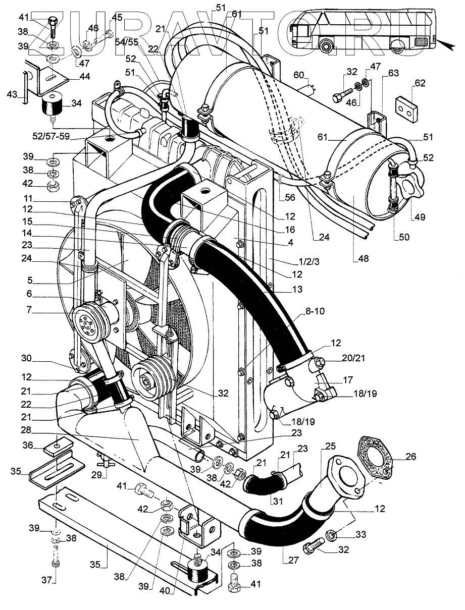
| № | Номер | Наименование | Цена | |
|---|---|---|---|---|
| 1 | 0321.088.00 | COOLER CPL. | Нет в продаже |
|
| 2 | 0321.061.10 | WATER COOLER | Нет в продаже |
|
| 3 | 0321.088.15 | CHARGE AIR COOLER | Нет в продаже |
|
| 4 | 0321.252.00 | AIR DEFLECTOR | Нет в продаже |
|
| 5 | 0322.363.30 | FAN WHEEL | Нет в продаже |
|
| 6 | 0322.300.00 | MAGNETIC CLUTCH | Нет в продаже |
|
| 7 | 0127.042.00 | PULLEY | Нет в продаже |
|
| 8 | 5050.078.01 | HEXAGON SCREW | Нет в продаже |
|
| 9 | 5010.005.01 | MEDIUM WASHER | Нет в продаже |
|
| 10 | 5020.011.01 | SPRING RING | Нет в продаже |
|
| 11 | 5035.057.00 | SCREW | Нет в продаже |
|
| 12 | 1801.374.00 | CLAMP | Нет в продаже |
|
| 13 | 0302.256.00 | HOSE | Нет в продаже |
|
| 14 | 1801.620.00 | BRASS PIPE | Нет в продаже |
|
| 15 | 2604.125.10 | CLAMP | Нет в продаже |
|
| 16 | 0302.256.00 | HOSE | Нет в продаже |
|
| 17 | 0101.131.16 | THERMOSTAT HOUSING | Нет в продаже |
|
| 18 | WASHER | washer | Нет в продаже |
|
| 19 | screw | screw | Нет в продаже |
|
| 20 | 1104.107.00 | SCREW PLUG | Нет в продаже |
|
| 20.1 | 1104.690.02 | COPPER RING | Нет в продаже |
|
| 21 | 1801.371.00 | СLАМР | Нет в продаже |
|
| 22 | 0303.335.00 | RUBBER HOSE 35X6mm 120mm | Нет в продаже |
|
| 23 | 1801.616.00 | WАТЕR РIРЕ | Нет в продаже |
|
| 24 | 2604.117.00 | CLAMP | Нет в продаже |
|
| 25 | 0101.131.10 | NECK | Нет в продаже |
|
| 26 | 0101.201.36 | SEAL | Нет в продаже |
|
| 27 | 0303.386.00 | HOSE | Нет в продаже |
|
| 28 | 0323.100.00 | BLISTER ABSORBER | Нет в продаже |
|
| 29 | 1801.052.06 | OUT LECK COCK | Нет в продаже |
|
| 30 | 0303.370.00 | HOSE | Нет в продаже |
|
| 31 | 0302.254.00 | RUBBER ELBOW PIPE 35X4.5mm | Нет в продаже |
|
| 32 | 5050.104.01 | SCREW | Нет в продаже |
|
| 33 | 1201.100.22 | PLATE WASHER | Нет в продаже |
|
| 34 | 0301.200.00 | SILENT BEARING | Нет в продаже |
|
| 35 | 0321.823.45 | BRACKET | Нет в продаже |
|
| 36 | 0321.823.45 | BRACKET | Нет в продаже |
|
| 37 | 5050.107.01 | SCREW | Нет в продаже |
|
| 38 | 5020.013.01 | SPRING RING | Нет в продаже |
|
| 39 | 5010.007.01 | MEDIUM WASHER | Нет в продаже |
|
| 40 | 0321.823.50 | RADIATOR MOUNTING | Нет в продаже |
|
| 41 | 5050.131.01 | SCREW | Нет в продаже |
|
| 42 | 5060.007.01 | NUT | Нет в продаже |
|
| 43 | BRACKET | MOUNTING BRACKET | Нет в продаже |
|
| 44 | 1416.000.00 | BRACKET | Нет в продаже |
|
| 45 | 5050.106.01 | SCREW | Нет в продаже |
|
| 46 | 5020.012.01 | SPRING RING | Нет в продаже |
|
| 47 | 5010.006.01 | WASHER | Нет в продаже |
|
| 48 | 0320.011.00 | WATER TANK | Нет в продаже |
|
| 49 | 0303.134.00 | COVER | Нет в продаже |
|
| 50 | INSPECTIONGLASS | INSPECTION GLASS | Нет в продаже |
|
| 51 | 0110.802.00 | HOSE | Нет в продаже |
|
| 52 | 1801.387.00 | СLАМР | Нет в продаже |
|
| 53 | 0303.122.00 | COVER | Нет в продаже |
|
| 54 | 1801.583.00 | HOSE | Нет в продаже |
|
| 55 | 1801.323.00 | CLAMP | Нет в продаже |
|
| 56 | 2604.111.00 | CLAMP | Нет в продаже |
|
| 57 | 1801.389.00 | CLAMP | Нет в продаже |
|
| 58 | 0121.418.00 | HOSE | Нет в продаже |
|
| 59 | 1801.380.00 | СLАМР | Нет в продаже |
|
| 60 | 0303.175.01 | WATER LEVEL INDICATOR | Нет в продаже |
|
| 61 | 0323.724.05 | CLAMP | Нет в продаже |
|
| 62 | 0323.724.01 | THREADED PLATE | Нет в продаже |
|
| 63 | 0323.724.00 | BRACKET | Нет в продаже |
|
1
2
3
4
5
5
6
7
8
9
10
11
12
12
12
12
12
12
13
14
15
16
17
18
18
19
19
20
21
21
21
21
21
21
22
22
23
23
23
24
24
25
26
27
28
29
30
31
32
32
32
33
34
34
35
36
37
38
38
38
38
38
39
39
39
39
39
39
39
40
41
41
41
42
42
42
43
44
45
46
46
47
47
48
49
50
51
51
51
51
52
52
52
54
55
56
57
58
59
60
61
61
62
63
Содержащиеся в справочниках-каталогах запасные части и детали носят исключительно информационный характер