Оригинальные каталоги
| № | Номер | Наименование | Цена | |
|---|---|---|---|---|
| 249.3710 | 249.3710 | Выключатель аварийной сигнализации | Нет в продаже |
|
| УП115-3726204-Б | УП115-3726204-Б | Рассеиватель заднего указателя поворота | Нет в продаже |
|
| ФП 115-3716204 | ФП 115-3716204 | Рассеиватель фонаря сигналов торможения | Нет в продаже |
|
| ФП 117-3716204 | ФП 117-3716204 | Рассеиватель фонаря заднего хода | Нет в продаже |
|
| ВК418Д | ВК418Д | Выключатель фонарей заднего хода | Нет в продаже |
|
| [Лампа АКГ60+55] | [Лампа АКГ60+55] | Лампа АКГ60+55 | Нет в продаже |
|
| АС12-5 | АС12-5 | Лампа фонаря | Нет в продаже |
|
| 0 486 001 016 | 0 486 001 016 | Датчик АБС | Нет в продаже |
|
| ПФ 116-3712204 | ПФ 116-3712204 | Рассеиватель фонаря габаритного переднего | Нет в продаже |
|
| УП 115-3726204 | УП 115-3726204 | Рассеиватель указателя поворота переднего | Нет в продаже |
|
| 141.3726204 | 141.3726204 | Рассеиватель повторителя указателя поворота бокового | Нет в продаже |
|
| П110В-04 | П110В-04 | Переключатель указателей поворотов | Нет в продаже |
|
| ФП 116-3716204 | ФП 116-3716204 | Рассеиватель заднего габаритного фонаря | Нет в продаже |
|
| А12-10 | А12-10 | Лампа А12-10 | Нет в продаже |
|
| 77.3709-04.19 | 77.3709-04.19 | Выключатель управления приводом двери | Нет в продаже |
|
| А12-21-3 | А12-21-3 | Лампа переднего указателя поворота | Нет в продаже |
|
| А12-5 | А12-5 | Лампа | Нет в продаже |
|
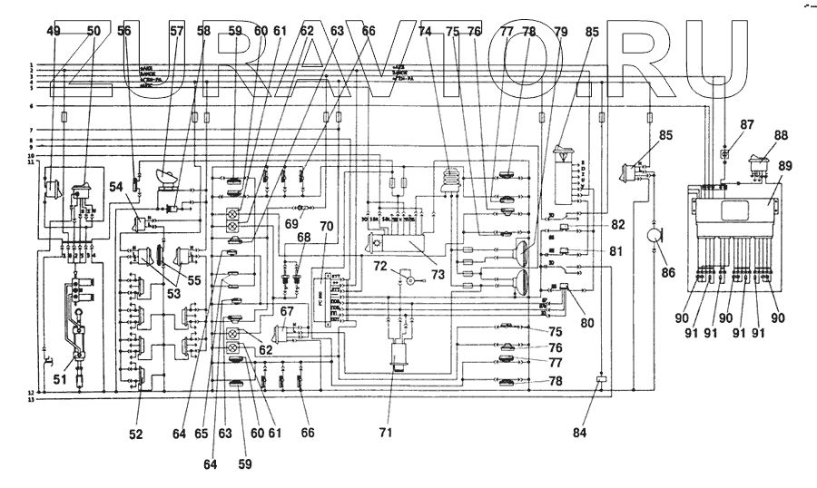
| 49 | 2812.3710-01 | Выключатель экстренного открывания двери | Нет в продаже |
|
| 50 | 77.3709-02.19 | Переключатель управления двери | Нет в продаже |
|
| 51 | МД05 | Механизм управления пассажирской дверью | Нет в продаже |
|
| 52 | 2902.3714 | Плафон освещения салона | Нет в продаже |
|
| 53 | 82.3709-01.12 | Выключатель плафонов освещения салона | Нет в продаже |
|
| 54 | 82.3709-01.13 | Выключатель плафона водителя | Нет в продаже |
|
| 55 | 2802.3714 | Плафон освещения места водителя | Нет в продаже |
|
| 56 | 2602.3714-01 | Плафон освещения посадочной площадки | Нет в продаже |
|
| 57 | ПД308-Б | Лампа подкапотная | Нет в продаже |
|
| 58 | ПС 500 | Розетка переносной лампы | Нет в продаже |
|
| 59 | ФП 116 | Фонарь габаритный задний верхний | Нет в продаже |
|
| 60 | ФП 116 | Фонарь габаритный задний верхний | Нет в продаже |
|
| 61 | УП115-Б | Задний указатель поворота | Нет в продаже |
|
| 62 | ФП 115 | Фонарь сигналов торможения | Нет в продаже |
|
| 63 | ФП 117 | Фонарь заднего хода | Нет в продаже |
|
| 64 | 2452.3716 | Фонарь задний противотуманный | Нет в продаже |
|
| 65 | 15.3717 | Фонарь освещения номерного знака | Нет в продаже |
|
| 66 | 43.3731 | Фонарь боковой габаритный (маркерный) | Нет в продаже |
|
| 67 | 82.3709-01.07 | Выключатель противотуманных фонарей | Нет в продаже |
|
| 68 | 2802.3829 | Датчик включения сигналов торможения | Нет в продаже |
|
| 69 | ВК418А | Выключатель фонарей заднего хода | Нет в продаже |
|
| 70 | PC950K | Реле указателей поворотов | Нет в продаже |
|
| 71 | 249.3710-01 | Выключатель аварийной сигнализации | Нет в продаже |
|
| 72 | П105А-03 | Переключатель указателей поворотов | Нет в продаже |
|
| 73 | 581.3710 | Центральный переключатель света | Нет в продаже |
|
| 74 | П53-АБ | Переключатель головного света | Нет в продаже |
|
| 75 | 141.3726 | Повторитель боковой указателей поворота | Нет в продаже |
|
| 76 | УП 115 | Указатель поворота передний | Нет в продаже |
|
| 77 | ПФ 116 | Фонарь габаритный передний нижний | Нет в продаже |
|
| 78 | ПФ 116 | Фонарь габаритный передний нижний | Нет в продаже |
|
| 79 | 62.3711-01 | Фара головного света | Нет в продаже |
|
| 80 | 738.3747 | Реле стартера | Нет в продаже |
|
| 81 | 90.3747 | Реле стартера | Нет в продаже |
|
| 82 | 90.3747 | Реле стартера | Нет в продаже |
|
| 83 | П 150-07.25 | Аварийный выключатель | Нет в продаже |
|
| 84 | ЭКТ12 | Электромагнитный топливный клапан | Нет в продаже |
|
| 85 | 82.3709-01.24 | Выключатель осушителя воздуха в тормозной системе | Нет в продаже |
|
| 86 | LA 6277 | Воздухоосушитель | Нет в продаже |
|
| 87 | 2202.3803-53 | Контрольная лампа АБС | Нет в продаже |
|
| 88 | 77.3709-02.00 | Переключатель контроля АБС | Нет в продаже |
|
| 89 | 0 486 104 019 | Блок управления АБС | Нет в продаже |
|
| 90 | 0 486 201 010 | Модулятор АБС | Нет в продаже |
|
| 91 | 0 486 001 030 | Датчик АБС | Нет в продаже |
|
49
50
51
52
53
54
55
56
57
58
59
59
60
60
61
61
62
62
63
63
64
64
65
66
66
67
68
69
70
71
72
73
74
75
75
76
76
77
77
78
78
79
80
81
82
83
84
85
85
86
87
88
89
90
90
90
91
91
91
91
Содержащиеся в справочниках-каталогах запасные части и детали носят исключительно информационный характер