Оригинальные каталоги
| № | Номер | Наименование | Цена | |
|---|---|---|---|---|
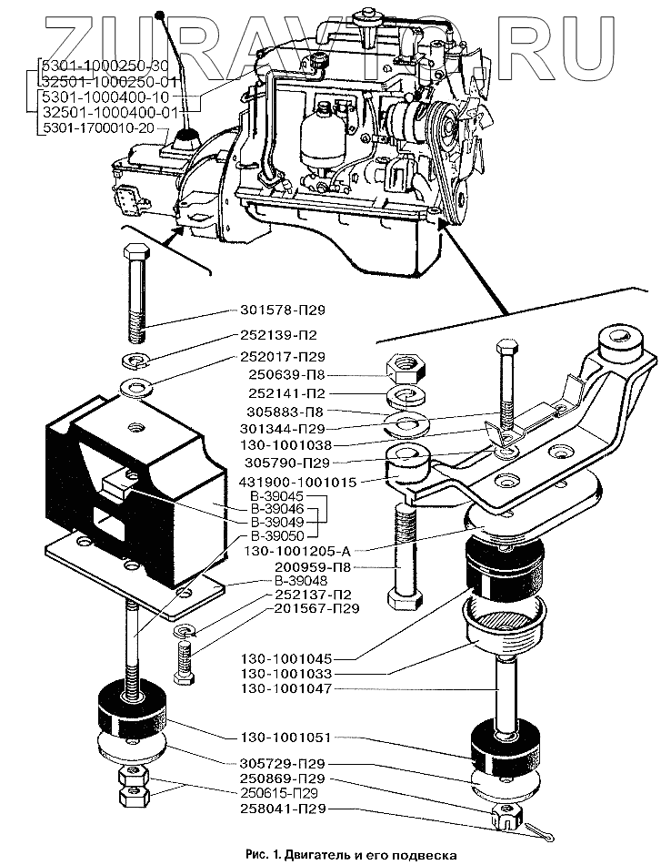
| 200959-П8 | 200959-П8 | Болт | Нет в продаже |
|
| 130-1001045 | 130-1001045 | Подушка опоры двигателя верхняя | Нет в продаже |
|
| 130-1001051 | 130-1001051 | Подушка опоры двигателя нижняя | Нет в продаже |
|
| 32501-1000250-01 | 32501-1000250-01 | Силовой агрегат с двигателем Д-245.12С | Нет в продаже |
|
| 5301-1000250-30 | 5301-1000250-30 | Силовой агрегат с двигателем Д-245.12С | Нет в продаже |
|
| 32501-1000250-50 | 32501-1000250-50 | Силовой агрегат с двигателем Д-245.9Е2 | Нет в продаже |
|
| 5301-1000250-40 | 5301-1000250-40 | Силовой агрегат с двигателем Д-245.9Е2 | Нет в продаже |
|
| 130-1001038 | 130-1001038 | Фиксатор болтов передней опоры двигателя | Нет в продаже |
|
| 305883-П8 | 305883-П8 | Шайба | Нет в продаже |
|
| 305790-П29 | 305790-П29 | Шайба | Нет в продаже |
|
| 305729-П29 | 305729-П29 | Шайба | Нет в продаже |
|
| 252017-П29 | 252017-П29 | Шайба | Нет в продаже |
|
| 252141-П2 | 252141-П2 | Шайба пружинная | Нет в продаже |
|
| 252137-П2 | 252137-П2 | Шайба пружинная | Нет в продаже |
|
| 252139-П2 | 252139-П2 | Шайба пружинная | Нет в продаже |
|
| В-39050 | В-39050 | Шпилька | Нет в продаже |
|
| 258041-П29 | 258041-П29 | Шплинт | Нет в продаже |
|
| В-39045 | В-39045 | Подушка задней опоры двигателя в сборе | Нет в продаже |
|
| В-39046 | В-39046 | Подушка задней опоры двигателя | Нет в продаже |
|
| В-39049 | В-39049 | Пластина | Нет в продаже |
|
| 201567-П29 | 201567-П29 | Болт | Нет в продаже |
|
| 301344-П29 | 301344-П29 | Болт | Нет в продаже |
|
| 301578-П29 | 301578-П29 | Болт | Нет в продаже |
|
| 130-1001047 | 130-1001047 | Втулка распорная | Нет в продаже |
|
| 250639-П8 | 250639-П8 | Гайка | Нет в продаже |
|
| 250615-П29 | 250615-П29 | Гайка | Нет в продаже |
|
| 250869-П29 | 250869-П29 | Гайка | Нет в продаже |
|
| 130-1001033 | 130-1001033 | Гнездо верхней подушки подвески двигателя | Нет в продаже |
|
| 5301-1000400-10 | 5301-1000400-10 | Двигатель Д-245.12С-183 в сборе | Нет в продаже |
|
| 32501-1000400-01 | 32501-1000400-01 | Двигатель Д-245.12С-185 в сборе | Нет в продаже |
|
| 32501-1000400-30 | 32501-1000400-30 | Двигатель Д-245.9Е2 в сборе | Нет в продаже |
|
| 5301-1000400-20 | 5301-1000400-20 | Двигатель Д-245.9Е2 в сборе | Нет в продаже |
|
| 130-1001205-А | 130-1001205-А | Колпак защитный верхних подушек передней опоры двигателя | Нет в продаже |
|
| 5301-1700010-20 | 5301-1700010-20 | Коробка передач в сборе | Нет в продаже |
|
| 431900-1001015 | 431900-1001015 | Кронштейн передней опоры двигателя | Нет в продаже |
|
| В-39048 | В-39048 | Накладка | Нет в продаже |
|
| 140-8104076 | 140-8104076 | Штуцер | Нет в продаже |
|
200959-П8
130-1001045
130-1001051
32501-1000250-01
5301-1000250-30
130-1001038
305883-П8
305790-П29
305729-П29
252017-П29
252141-П2
252137-П2
252139-П2
В-39050
258041-П29
В-39045
В-39046
В-39049
201567-П29
301344-П29
301578-П29
130-1001047
250639-П8
250615-П29
250869-П29
130-1001033
5301-1000400-10
32501-1000400-01
130-1001205-А
5301-1700010-20
431900-1001015
В-39048
Содержащиеся в справочниках-каталогах запасные части и детали носят исключительно информационный характер