Оригинальные каталоги
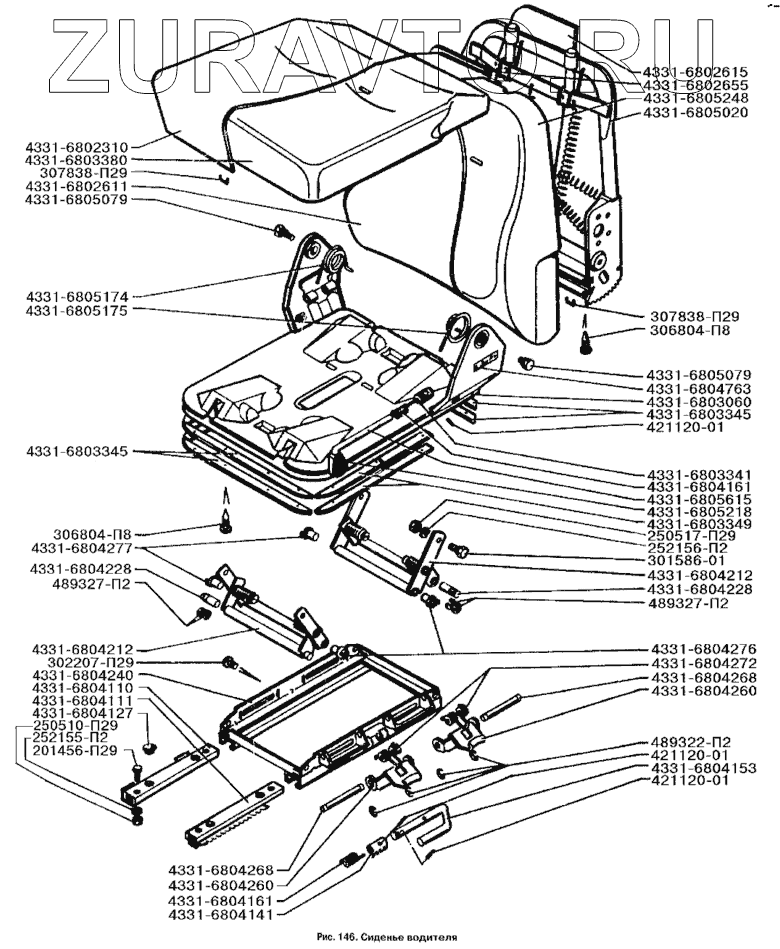
| № | Номер | Наименование | Цена | |
|---|---|---|---|---|
| 4331-6804763 | 4331-6804763 | Эмблема | Нет в продаже |
|
| 4331-6804272 | 4331-6804272 | Пружина гребенки стопора | Нет в продаже |
|
| 4331-6802655 | 4331-6802655 | Прошва | Нет в продаже |
|
| 4331-6804278 | 4331-6804278 | Проставка | Нет в продаже |
|
| 4331-6804153 | 4331-6804153 | Привод стопора | Нет в продаже |
|
| 4331-6805248 | 4331-6805248 | Подушка спинки | Нет в продаже |
|
| 4331-6837010 | 4331-6837010 | Подставка одноместного сиденья пассажира | Нет в продаже |
|
| 4331-6805079 | 4331-6805079 | Ось наклона спинки | Нет в продаже |
|
| 4331-6804268 | 4331-6804268 | Ось гребенки стопора | Нет в продаже |
|
| 301586-01 | 301586-01 | Ось | Нет в продаже |
|
| 4331-6805020 | 4331-6805020 | Основание спинки в сборе | Нет в продаже |
|
| 4331-6804240 | 4331-6804240 | Основание механизма регулировки в сборе | Нет в продаже |
|
| 4331-6805175 | 4331-6805175 | Пружина спинки левая | Нет в продаже |
|
| 4331-6805174 | 4331-6805174 | Пружина спинки правая | Нет в продаже |
|
| 421120-01 | 421120-01 | Штифт | Нет в продаже |
|
| 252156-П2 | 252156-П2 | Шайба пружинная | Нет в продаже |
|
| 252155-П2 | 252155-П2 | Шайба пружинная | Нет в продаже |
|
| 4331-6804141 | 4331-6804141 | Стопор механизма продольного перемещения | Нет в продаже |
|
| 4331-6805010 | 4331-6805010 | Спинка сиденья водителя в сборе | Нет в продаже |
|
| 307838-П29 | 307838-П29 | Скрепка | Нет в продаже |
|
| 4331-6800012 | 4331-6800012 | Сиденье водителя в сборе | Нет в продаже |
|
| 4331-6805615 | 4331-6805615 | Рычаг регулировки наклона спинки | Нет в продаже |
|
| 4331-6805218 | 4331-6805218 | Ручка регулировки наклона | Нет в продаже |
|
| 4331-6803341 | 4331-6803341 | Рейка регулировки наклона спинки | Нет в продаже |
|
| 4331-6804161 | 4331-6804161 | Пружина стопора | Нет в продаже |
|
| 4331-6802611 | 4331-6802611 | Обивка спинки передняя | Нет в продаже |
|
| 4331-6802615 | 4331-6802615 | Обивка спинки задняя | Нет в продаже |
|
| 4331-6803345 | 4331-6803345 | Кардель основания подушки передняя | Нет в продаже |
|
| 4331-6803349 | 4331-6803349 | Кардель основания подушки | Нет в продаже |
|
| 4331-6804260 | 4331-6804260 | Гребенка стопора | Нет в продаже |
|
| 306804-П8 | 306804-П8 | Гвоздь специальный | Нет в продаже |
|
| 250517-П29 | 250517-П29 | Гайка | Нет в продаже |
|
| 250510-П29 | 250510-П29 | Гайка | Нет в продаже |
|
| 4331-6804276 | 4331-6804276 | Втулка-фиксатор правая | Нет в продаже |
|
| 4331-6804277 | 4331-6804277 | Втулка-фиксатор левая | Нет в продаже |
|
| 4331-6804228 | 4331-6804228 | Вкладыш-фиксатор передний правый | Нет в продаже |
|
| 4331-6804127 | 4331-6804127 | Вкладыш механизма продольного перемещения | Нет в продаже |
|
| 302207-П29 | 302207-П29 | Винт | Нет в продаже |
|
| 4331-6803060 | 4331-6803060 | Каркас основания подушки | Нет в продаже |
|
| 4331-6803012 | 4331-6803012 | Каркас основания подушки в сборе | Нет в продаже |
|
| 4331-6802610 | 4331-6802610 | Обивка спинки в сборе | Нет в продаже |
|
| 4331-6802631 | 4331-6802631 | Обивка спинки боковая | Нет в продаже |
|
| 4331-6802310 | 4331-6802310 | Обивка подушки сиденья | Нет в продаже |
|
| 4331-6804110 | 4331-6804110 | Направляющая продольного перемещения нижняя правая в сборе | Нет в продаже |
|
| 4331-6804111 | 4331-6804111 | Направляющая продольного перемещения нижняя левая в сборе | Нет в продаже |
|
| 4331-6804210 | 4331-6804210 | Механизм регулировки в сборе | Нет в продаже |
|
| 4331-6804212 | 4331-6804212 | Механизм направляющих рычагов в сборе | Нет в продаже |
|
| 4331-6803380 | 4331-6803380 | Матрац формовой подушки | Нет в продаже |
|
| 4331-6802650 | 4331-6802650 | Лента обивки спинки | Нет в продаже |
|
| 489327-П2 | 489327-П2 | Кольцо упорное | Нет в продаже |
|
| 489322-П2 | 489322-П2 | Кольцо стопорное | Нет в продаже |
|
| 201456-П29 | 201456-П29 | Болт | Нет в продаже |
|
4331-6804763
4331-6804272
4331-6802655
4331-6804153
4331-6805248
4331-6805079
4331-6805079
4331-6804268
4331-6804268
301586-01
4331-6805020
4331-6804240
4331-6805175
4331-6805174
421120-01
421120-01
421120-01
252156-П2
252155-П2
4331-6804141
307838-П29
307838-П29
4331-6805615
4331-6805218
4331-6803341
4331-6804161
4331-6804161
4331-6802611
4331-6802615
4331-6803345
4331-6803345
4331-6803349
4331-6804260
4331-6804260
306804-П8
306804-П8
250517-П29
250510-П29
4331-6804276
4331-6804277
4331-6804228
4331-6804228
4331-6804127
302207-П29
4331-6803060
4331-6802310
4331-6804110
4331-6804111
4331-6804212
4331-6804212
4331-6803380
489327-П2
489322-П2
489322-П2
201456-П29
Содержащиеся в справочниках-каталогах запасные части и детали носят исключительно информационный характер