Оригинальные каталоги
| № | Номер | Наименование | Цена | |
|---|---|---|---|---|
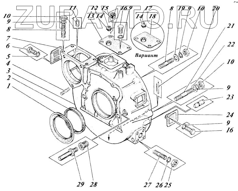
| 41-01с3-1 | 41-01с3-1 | Картер маховика | Нет в продаже |
|
| 41-01с3-15 | 41-01с3-15 | Картер маховика | Нет в продаже |
|
| 41-01с3-14 | 41-01с3-14 | Картер маховика | Нет в продаже |
|
| 41-01с3-13 | 41-01с3-13 | Картер маховика | Нет в продаже |
|
| 41-01с3-11 | 41-01с3-11 | Картер маховика | Нет в продаже |
|
| 1 | 01-0148-2 | Маслоотражатель | Нет в продаже |
|
| 2 | Манжета 1.1-140х170-4 [8752] | Манжета 1.1-140х170-4 | Нет в продаже |
|
| 3 | 41-0103А | Картер маховика | Нет в продаже |
|
| 3 | 41-0103А-02 | Картер маховика | Нет в продаже |
|
| 3 | 41-0103А-01 | Картер маховика | Нет в продаже |
|
| 4 | Шпилька [01М-0197-1] | Шпилька | Нет в продаже |
|
| 5 | Шайба 8.65Г.05 [6402] | Шайба 8.65Г.05 | Нет в продаже |
|
| 6 | Болт М8-6gх16.88.35.013 [7796] | Болт М8-6gх16.88.35.013 | Нет в продаже |
|
| 7 | 01-0167 | Крышка люка | Нет в продаже |
|
| 8 | Шпилька М12-2r/6gх35.56.013 [22038] | Шпилька М12-2r/6gх35.56.013 | Нет в продаже |
|
| 9 | Шайба 12.65Г.05 [6402] | Шайба 12.65Г.05 | Нет в продаже |
|
| 10 | Гайка М12-6Н.6.016 [5915] | Гайка М12-6Н.6.016 | Нет в продаже |
|
| 11 | 3128 | Штифт 8х16.Хим.Окс | Нет в продаже |
|
| 12 | 01М-01с9 | Крышка верхнего люка | Нет в продаже |
|
| 13 | 01М-01с9-020 | Крышка | Нет в продаже |
|
| 14 | 01-2027-1 | Пробка | Нет в продаже |
|
| 15 | 6 А1-2024 | Заглушка распылителя | Нет в продаже |
|
| 16 | Болт М12-6gх25.88.35.013 [7796] | Болт М12-6gх25.88.35.013 | Нет в продаже |
|
| 17 | 41-01с9 | Крышка | Нет в продаже |
|
| 18 | 41-01с9.20 | Крышка | Нет в продаже |
|
| 19 | Шайба А12х2.01.011 [11371] | Шайба А12х2.01.011 | Нет в продаже |
|
| 20 | Шплинт 6.3х36.05 [397] | Шплинт 6.3х36.05 | Нет в продаже |
|
| 21 | Шпилька М12-2r/6gх55.56.013 [22038] | Шпилька М12-2r/6gх55.56.013 | Нет в продаже |
|
| 22 | Шайба [6Т2-0219] | Шайба | Нет в продаже |
|
| 23 | 41-0178 | Палец направляющий | Нет в продаже |
|
| 24 | 01М-0199 | Крышка люка | Нет в продаже |
|
| 25 | Гайка М14-6Н.8.35.013 [2524] | Гайка М14-6Н.8.35.013 | Нет в продаже |
|
| 26 | Шайба 140Т.65Г.05 [6402] | Шайба 140Т.65Г.05 | Нет в продаже |
|
| 27 | Шпилька М14х30 [01М-0197] | Шпилька М14х30 | Нет в продаже |
|
| 28 | 01М-0155 | Втулка резьбовая | Нет в продаже |
|
| 29 | Шпилька установочная [СМД55-01с8А] | Шпилька установочная | Нет в продаже |
|
1
2
3
3
3
4
5
6
7
8
8
9
9
9
9
9
10
10
10
11
12
13
14
14
15
16
16
17
18
19
20
21
22
23
24
25
26
27
28
29
Содержащиеся в справочниках-каталогах запасные части и детали носят исключительно информационный характер