Оригинальные каталоги
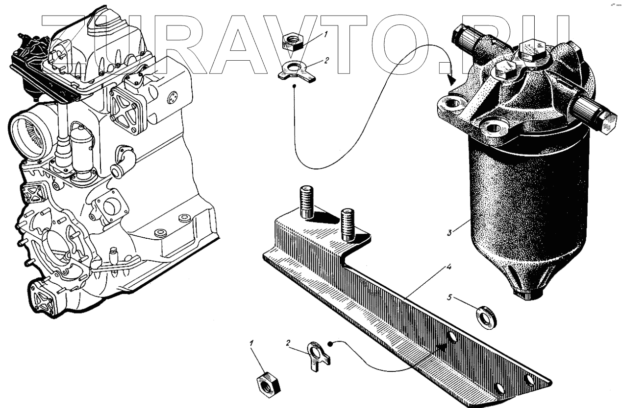
| № | Номер | Наименование | Цена | |
|---|---|---|---|---|
| 1 | 351-09 | Гайка М12 | Нет в продаже |
|
| 2 | 353-20 | Шайба стопорная 12 | Нет в продаже |
|
| 3 | сб.529-00-6 | Фильтр топливный | Нет в продаже |
|
| 4 | сб.535-06 | Кронштейн фильтра | Нет в продаже |
|
| 5 | 553-70 | Шайба чистая 12 | Нет в продаже |
|
1
1
2
2
3
4
5
Содержащиеся в справочниках-каталогах запасные части и детали носят исключительно информационный характер