Оригинальные каталоги
| № | Номер | Наименование | Цена | |
|---|---|---|---|---|
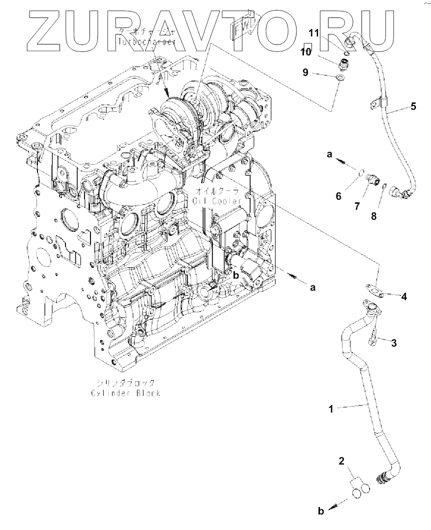
| 6751-51-8200 | 6751-51-8200 | Tube assembly | Нет в продаже |
|
| 6732-51-8180 | 6732-51-8180 | Connector, male | Нет в продаже |
|
| 6751-51-8180 | 6751-51-8180 | Connector assembly | Нет в продаже |
|
| 1 | 6751-51-8130 | Tube | Нет в продаже |
|
| 2 | 6732-51-8330 | O-RING | Нет в продаже |
|
| 3 | 6216-84-9220 | Screw | Нет в продаже |
|
| 4 | 6751-51-7690 | Gasket | Нет в продаже |
|
| 5 | 6751-51-8220 | Hose | Нет в продаже |
|
| 6 | 6736-51-8710 | O-RING | Нет в продаже |
|
| 7 | 6732-51-8280 | Connector | Нет в продаже |
|
| 8 | 6732-81-8860 | O-ring | Нет в продаже |
|
| 9 | 6737-51-8770 | Washer | Нет в продаже |
|
| 10 | 6732-51-8280 | Connector | Нет в продаже |
|
| 11 | 6732-81-8860 | O-ring | Нет в продаже |
|
6751-51-8200
6732-51-8180
6751-51-8180
1
2
3
4
5
6
7
8
9
10
11
Содержащиеся в справочниках-каталогах запасные части и детали носят исключительно информационный характер