Оригинальные каталоги
| № | Номер | Наименование | Цена | |
|---|---|---|---|---|
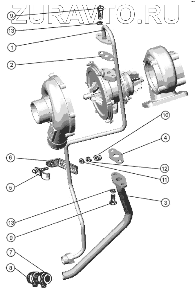
| С14-198-01 | С14-198-01 | ТУРБОКОМПРЕССОР | Нет в продаже |
|
| С14-101-01 | С14-101-01 | ТУРБОКОМПРЕССОР | Нет в продаже |
|
| 1 | 245-1118010-М | ТРУБКА ПОДВОДЯЩАЯ | Нет в продаже |
|
| 2 | 245-1118016 | Прокладка | Нет в продаже |
|
| 3 | 245-1118030-М | ТРУБКА СЛИВНАЯ | Нет в продаже |
|
| 4 | 245-1118034-Б | Прокладка | Нет в продаже |
|
| 5 | 245-1118050 | Хомут | Нет в продаже |
|
| 6 | 245-1118055 | Планка | Нет в продаже |
|
| 7 | 20х29-1,6 | Рукав | Нет в продаже |
|
| 8 | ХС-26.019 | Хомут стяжной | Нет в продаже |
|
| 9 | М8-6gх20.35.019 | Болт | Нет в продаже |
|
| 10 | М6-6Н.6.019 | Гайка | Нет в продаже |
|
| 11 | 6.01.08кп.019 | Шайба | Нет в продаже |
|
| 12 | 6.65Г.06 | Шайба | Нет в продаже |
|
| 13 | 8.65Г.06 | Шайба | Нет в продаже |
|
1
2
3
4
5
6
7
8
9
9
10
11
12
13
13
Содержащиеся в справочниках-каталогах запасные части и детали носят исключительно информационный характер