Оригинальные каталоги
| № | Номер | Наименование | Цена | |
|---|---|---|---|---|
| 11.131.006 | 11.131.006 | AZJ 3353 24B | Нет в продаже |
|
| 15.200.243 | 15.200.243 | Пружина | Нет в продаже |
|
| 11.131.104 | 11.131.104 | AZJ 3381 24B | Нет в продаже |
|
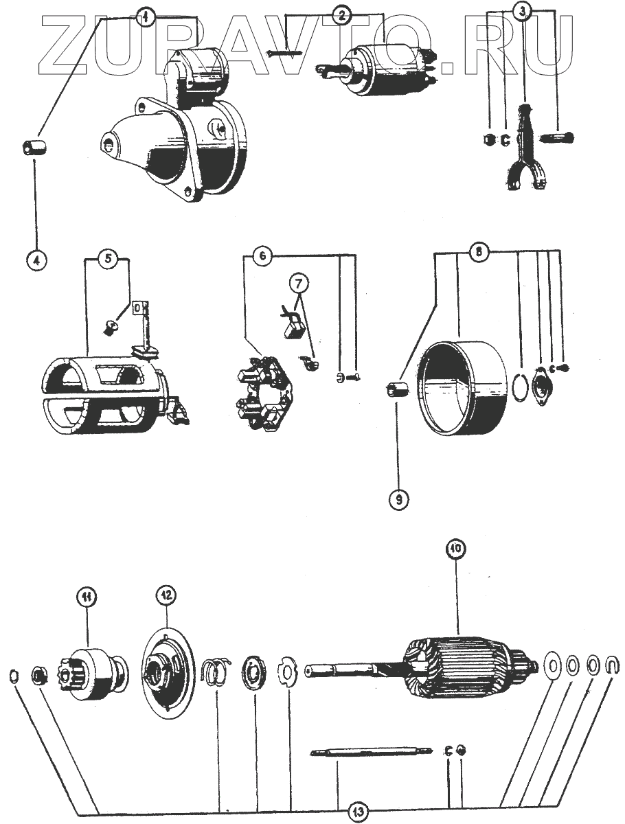
| 1 | 16.281.793 | Передняя крышка | Нет в продаже |
|
| 2 | 16.670.263 | Реле | Нет в продаже |
|
| 3 | 16.901.700 | Рычаг | Нет в продаже |
|
| 4 | 15.120.243 | Втулка подшипника | Нет в продаже |
|
| 5 | 16.500.745 | Обмотка | Нет в продаже |
|
| 5 | 16.500.773 | Обмотка | Нет в продаже |
|
| 6 | 16.903.773 | Щёткодержатель | Нет в продаже |
|
| 6 | 16.901.626 | Щёткодержатель | Нет в продаже |
|
| 7 | 16.770.121 | Щётка | Нет в продаже |
|
| 7 | 16.770.119 | Щётка | Нет в продаже |
|
| 8 | 16.283.449 | Крышка задняя | Нет в продаже |
|
| 9 | 15.120.155 | Втулка подшипника | Нет в продаже |
|
| 10 | 16.360.703 | Ротор | Нет в продаже |
|
| 10 | 16.361.820 | Ротор | Нет в продаже |
|
| 11 | 16.903.550 | Бендикс | Нет в продаже |
|
| 12 | 16.281.299 | Средняя крышка | Нет в продаже |
|
| 13 | Крепёжные детали | Крепёжные детали | Нет в продаже |
|
15.200.243
1
2
3
4
5
5
6
6
7
7
8
9
10
10
11
12
13
Содержащиеся в справочниках-каталогах запасные части и детали носят исключительно информационный характер