Назад

Оригинальные каталоги

zoom-in zoom-out enlarge shrink circle-right circle-left file-text2 info cart
Номер Наименование Цена
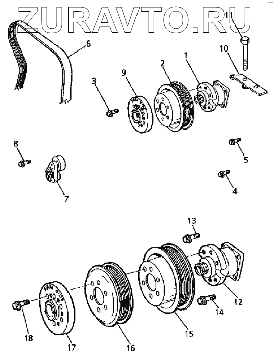
6 1819391C1 Belt Нет в продаже
6
100%
Содержащиеся в справочниках-каталогах запасные части и детали носят исключительно информационный характер