Оригинальные каталоги
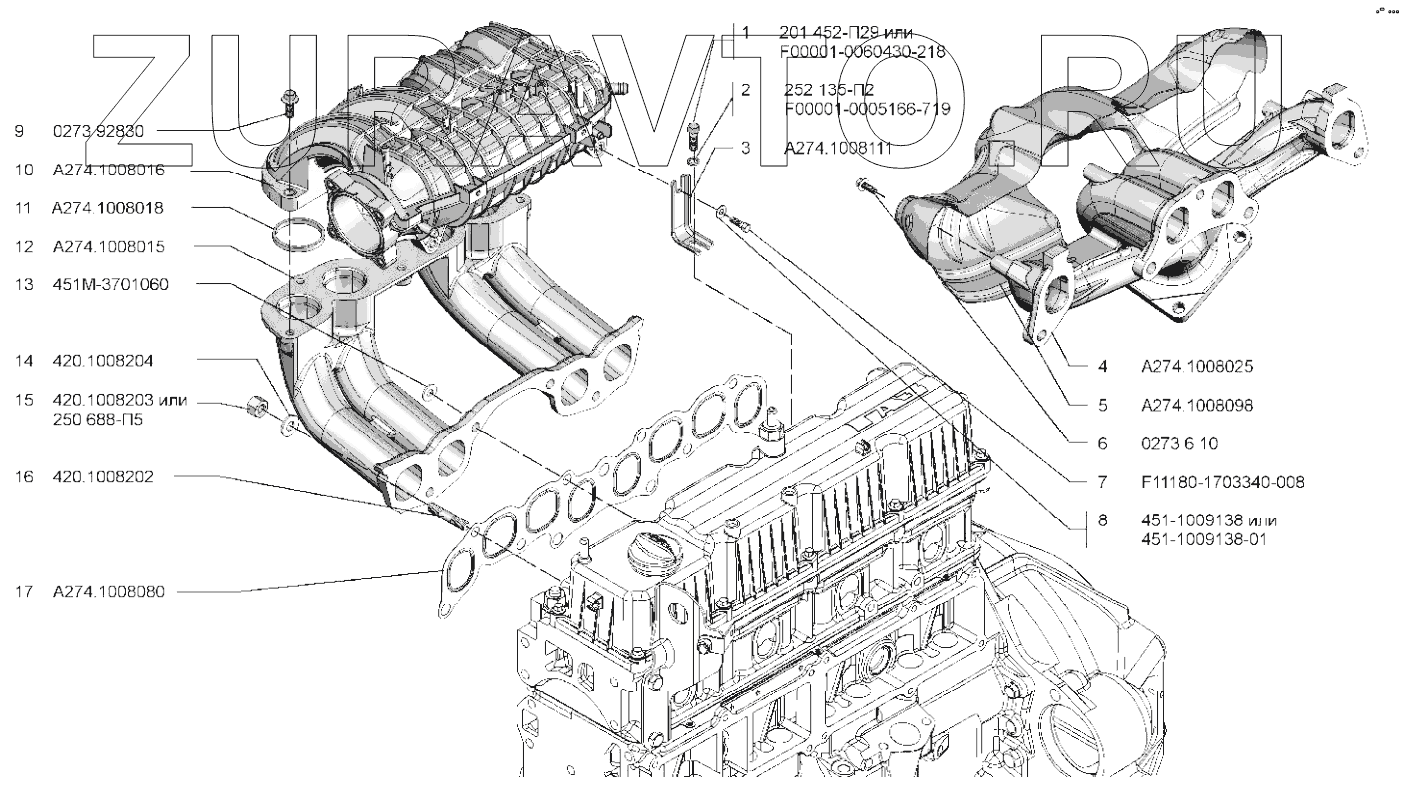
| № | Номер | Наименование | Цена | |
|---|---|---|---|---|
| 1 | 201 452-П29 | Болт | Нет в продаже |
|
| 1 | F00001-0060430-218 | Болт М8-6gх12 | Нет в продаже |
|
| 2 | 252 135-П2 | Шайба | Нет в продаже |
|
| 2 | F00001-0005166-719 | Шайба 8 | Нет в продаже |
|
| 3 | А274.1008111 | Кронштейн ресивера | Нет в продаже |
|
| 4 | А274.1008025 | Коллектор выпускной | Нет в продаже |
|
| 5 | А274.1008098 | Экран коллектора | Нет в продаже |
|
| 6 | 0273 926 10 | Болт | Нет в продаже |
|
| 7 | F11180-1703340-008 | Болт М8-6gх16 | Нет в продаже |
|
| 8 | 451-1009138-01 | Шайба 8,5 специальная | Нет в продаже |
|
| 8 | 451-1009138 | Шайба 8,5 специальная | Нет в продаже |
|
| 9 | 0273 92830 | Болт | Нет в продаже |
|
| 10 | А274.1008016 | Ресивер впускной трубы | Нет в продаже |
|
| 11 | А274.1008018 | Прокладка ресивера | Нет в продаже |
|
| 12 | А274.1008015 | Труба впускная | Нет в продаже |
|
| 13 | 451М-3701060 | Шайба 10,5 | Нет в продаже |
|
| 14 | 420.1008204 | Шайба | Нет в продаже |
|
| 15 | 420.1008203 | Гайка М10х1 | Нет в продаже |
|
| 15 | 250 688-П5 | Гайка | Нет в продаже |
|
| 16 | 420.1008202 | Шпилька М10х35 | Нет в продаже |
|
| 17 | А274.1008080 | Прокладка газопровода | Нет в продаже |
|
1
1
2
2
3
4
5
6
7
8
8
9
10
11
12
13
14
15
15
16
17
Содержащиеся в справочниках-каталогах запасные части и детали носят исключительно информационный характер