Оригинальные каталоги
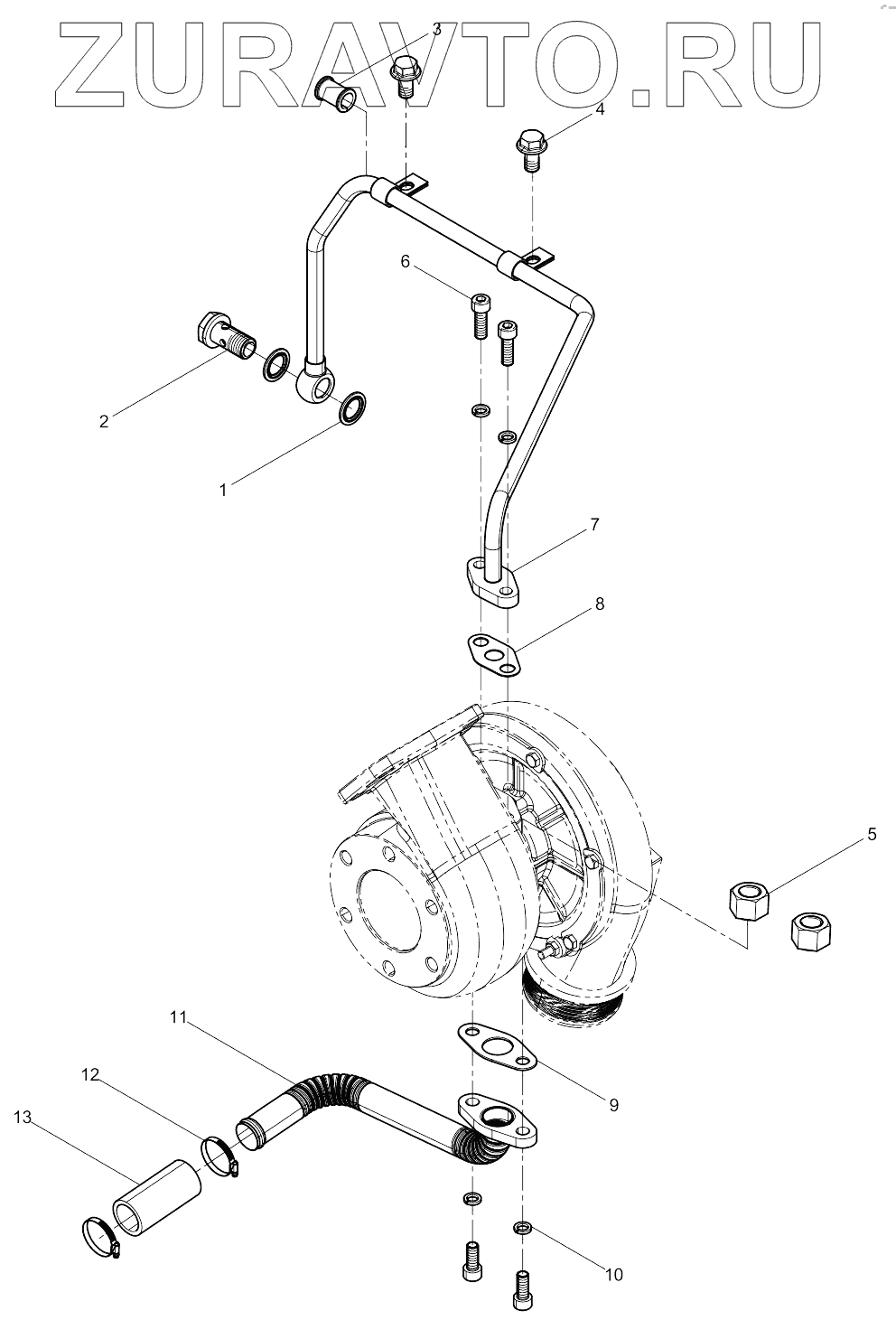
| № | Номер | Наименование | Цена | |
|---|---|---|---|---|
| 1 | 13023361 | 13023361 - уплотнительная шайба 13023361 | Нет в продаже |
|
| 2 | 01119248 | Пустотелый болт | Нет в продаже |
|
| 3 | 13031474 | Round washer | Нет в продаже |
|
| 4 | 90011310001 | Hexagon Flange Bolt | Нет в продаже |
|
| 5 | 90012630006 | Hexagon nut | Нет в продаже |
|
| 6 | 90013050036 | Inner Hexagon Socket Head Cap Screw | Нет в продаже |
|
| 7 | 1000735208 | Turbocharger Oil Pipe Assembly | Нет в продаже |
|
| 8 | 13031515 | Gasket | Нет в продаже |
|
| 9 | 13031516 | Gasket | Нет в продаже |
|
| 10 | 90003931102 | Пружинная шайба | Нет в продаже |
|
| 11 | 13058052 | Turbocharger Oil Pipe Assembly | Нет в продаже |
|
| 12 | 90003989340 | Хомут стяжной | Нет в продаже |
|
| 13 | 13026005 | Резиновая труба | Нет в продаже |
|
1
2
3
4
5
6
7
8
9
10
11
12
13
Содержащиеся в справочниках-каталогах запасные части и детали носят исключительно информационный характер