Назад

Оригинальные каталоги

zoom-in zoom-out enlarge shrink circle-right circle-left file-text2 info cart
Номер Наименование Цена
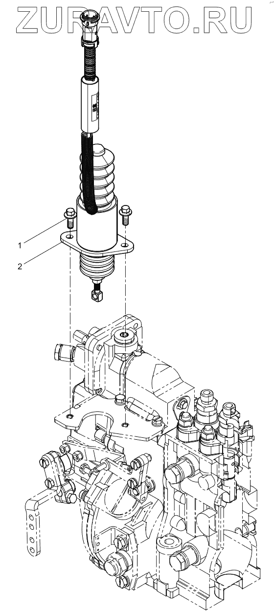
1 90011430021 Hexagon Flange Bolt Нет в продаже
2 612600180175 Engine-stop electromagnet Нет в продаже
1
2
100%
Содержащиеся в справочниках-каталогах запасные части и детали носят исключительно информационный характер