Оригинальные каталоги
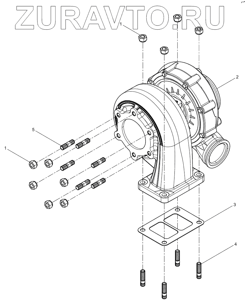
| № | Номер | Наименование | Цена | |
|---|---|---|---|---|
| 1 | 90003888470 | Гайка блокировочная | Нет в продаже |
|
| 2 | 612601111005 | Turbocharger | Нет в продаже |
|
| 3 | 61460110056 | Шайба нагнетателя | Нет в продаже |
|
| 4 | 612600110282 | Шпилька | Нет в продаже |
|
| 5 | 81560110187 | Шпилька двусторонняя | Нет в продаже |
|
1
1
2
3
4
5
Содержащиеся в справочниках-каталогах запасные части и детали носят исключительно информационный характер