Оригинальные каталоги
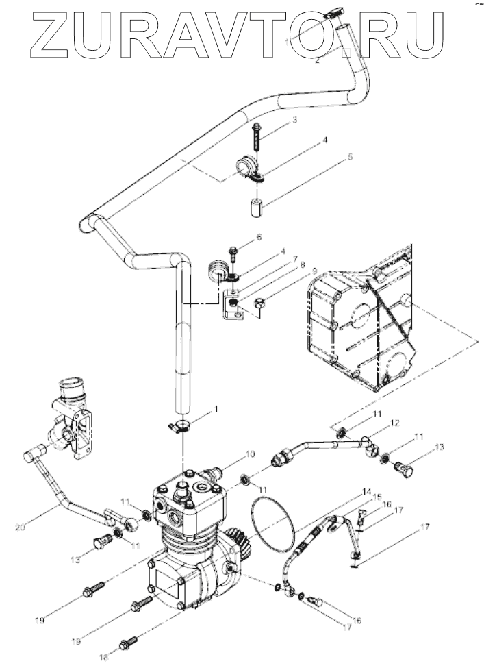
| № | Номер | Наименование | Цена | |
|---|---|---|---|---|
| 1 | 90003989340 | Хомут стяжной | Нет в продаже |
|
| 2 | 612600130539 | Pipe | Нет в продаже |
|
| 3 | 90011430003 | Screw | Нет в продаже |
|
| 4 | 612600111644 | Pipe clip assembly | Нет в продаже |
|
| 5 | 612600110809 | Block | Нет в продаже |
|
| 6 | 90011430023 | Screw | Нет в продаже |
|
| 7 | 612600012884 | Bracket plate | Нет в продаже |
|
| 8 | 612600061719 | Hexagon Flange Nut | Нет в продаже |
|
| 9 | 90003888453 | Гайка заклёпная | Нет в продаже |
|
| 10 | 612600130651 | Air compressor assembly | Нет в продаже |
|
| 11 | 13023361 | 13023361 - уплотнительная шайба 13023361 | Нет в продаже |
|
| 12 | 612600130500 | Water inlet pipe of air compressor | Нет в продаже |
|
| 13 | 90003962627 | Болт полый | Нет в продаже |
|
| 14 | 30800010003 | Кольцо уплотнительное | Нет в продаже |
|
| 15 | 612600130326 | Oil pipe of air compressor assembly | Нет в продаже |
|
| 16 | 612600130333 | 612600130333 - Полный болт 612600130333 | Нет в продаже |
|
| 17 | 612600080246 | 612600080246 - шайба 612600080246 | Нет в продаже |
|
| 18 | 90011430017S | Hexagon Flange Bolt | Нет в продаже |
|
| 19 | 90011430032 | Hexagon Flange Bolt | Нет в продаже |
|
| 20 | 612600130533 | Water return pipe of air compressor | Нет в продаже |
|
1
1
2
3
4
4
5
6
7
8
9
10
11
11
11
11
11
12
13
13
14
15
16
16
17
17
17
18
19
19
20
Содержащиеся в справочниках-каталогах запасные части и детали носят исключительно информационный характер