Назад

Оригинальные каталоги

zoom-in zoom-out enlarge shrink circle-right circle-left file-text2 info cart
Номер Наименование Цена
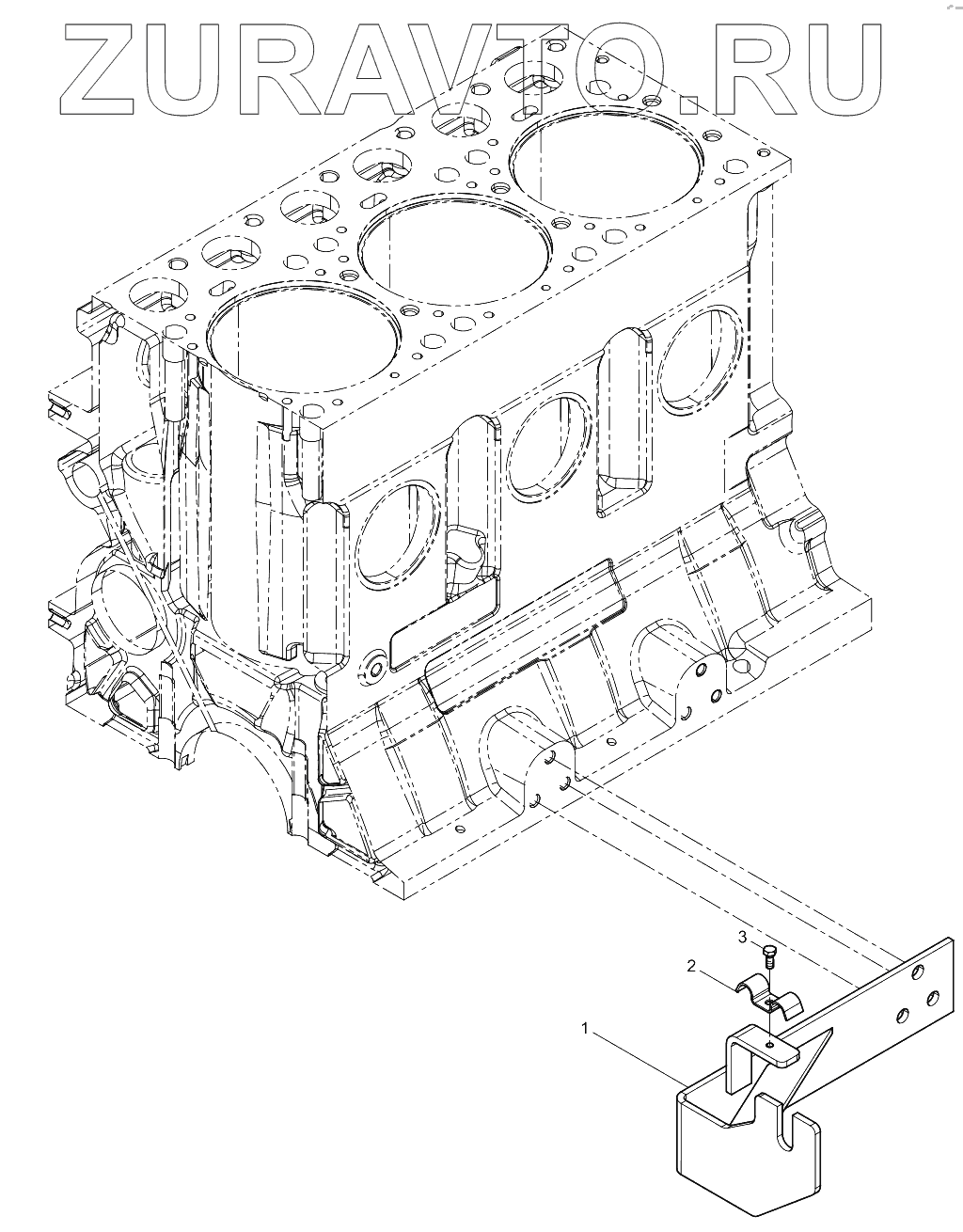
1 612600012995 Flexible shaft bracket Нет в продаже
2 612600082201 Clip Нет в продаже
3 90011270059 Hexagonal head bolt full thread Нет в продаже
1
2
3
100%
Содержащиеся в справочниках-каталогах запасные части и детали носят исключительно информационный характер