Оригинальные каталоги
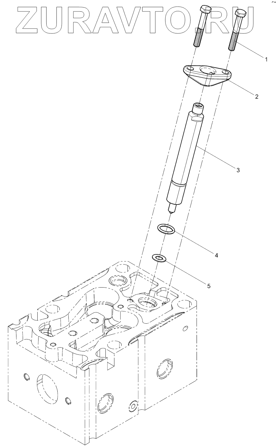
| № | Номер | Наименование | Цена | |
|---|---|---|---|---|
| 1 | 612600080383 | Болт | Нет в продаже |
|
| 2 | 61500080094A | Кронштейн крепления | Нет в продаже |
|
| 3 | 61560080276 | Форсунка | Нет в продаже |
|
| 4 | 609070080 | Сальник | Нет в продаже |
|
| 5 | 612600081954 | Washer | Нет в продаже |
|
1
2
3
4
5
Содержащиеся в справочниках-каталогах запасные части и детали носят исключительно информационный характер