Оригинальные каталоги
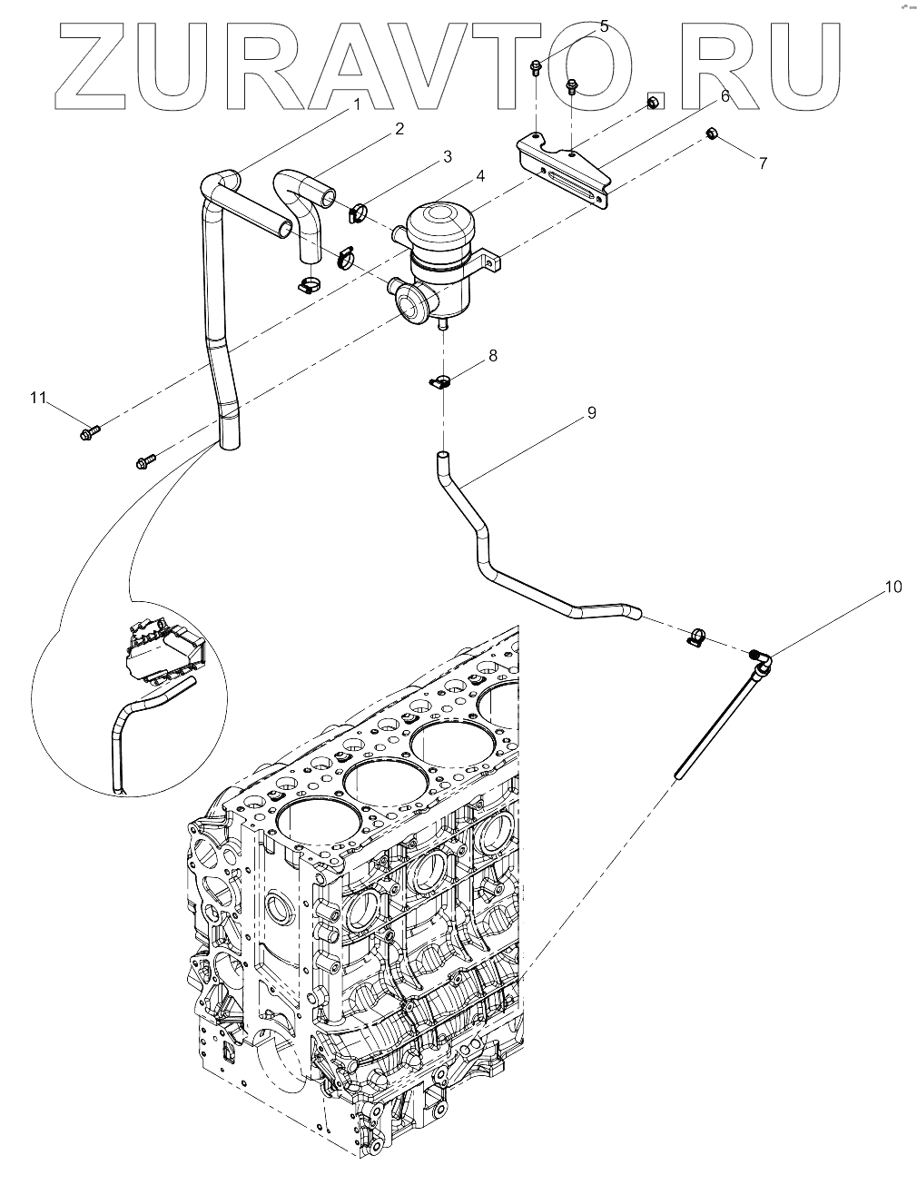
| № | Номер | Наименование | Цена | |
|---|---|---|---|---|
| 1 | 612630061025 | Oil Connecting Rubber Pipe | Нет в продаже |
|
| 2 | 612630060595 | Rubber hose | Нет в продаже |
|
| 3 | 90003989301 | Хомут шланга | Нет в продаже |
|
| 4 | 612630060015 | 612630060015 - сапун 612630060015 | Нет в продаже |
|
| 5 | 90011430040 | Hexagon Flange Bolt | Нет в продаже |
|
| 6 | 1000365412 | Oil-gas Separator Bracket | Нет в продаже |
|
| 7 | 90003871252 | Гайка | Нет в продаже |
|
| 8 | 90003989300 | Хомут шланга | Нет в продаже |
|
| 9 | 612630061000 | Oil Connecting Rubber Pipe | Нет в продаже |
|
| 10 | 612630010409 | Fuel return pipe | Нет в продаже |
|
| 11 | 90011430001 | Hexagon Flange Bolt | Нет в продаже |
|
1
2
3
4
5
6
7
8
9
10
11
Содержащиеся в справочниках-каталогах запасные части и детали носят исключительно информационный характер