Оригинальные каталоги
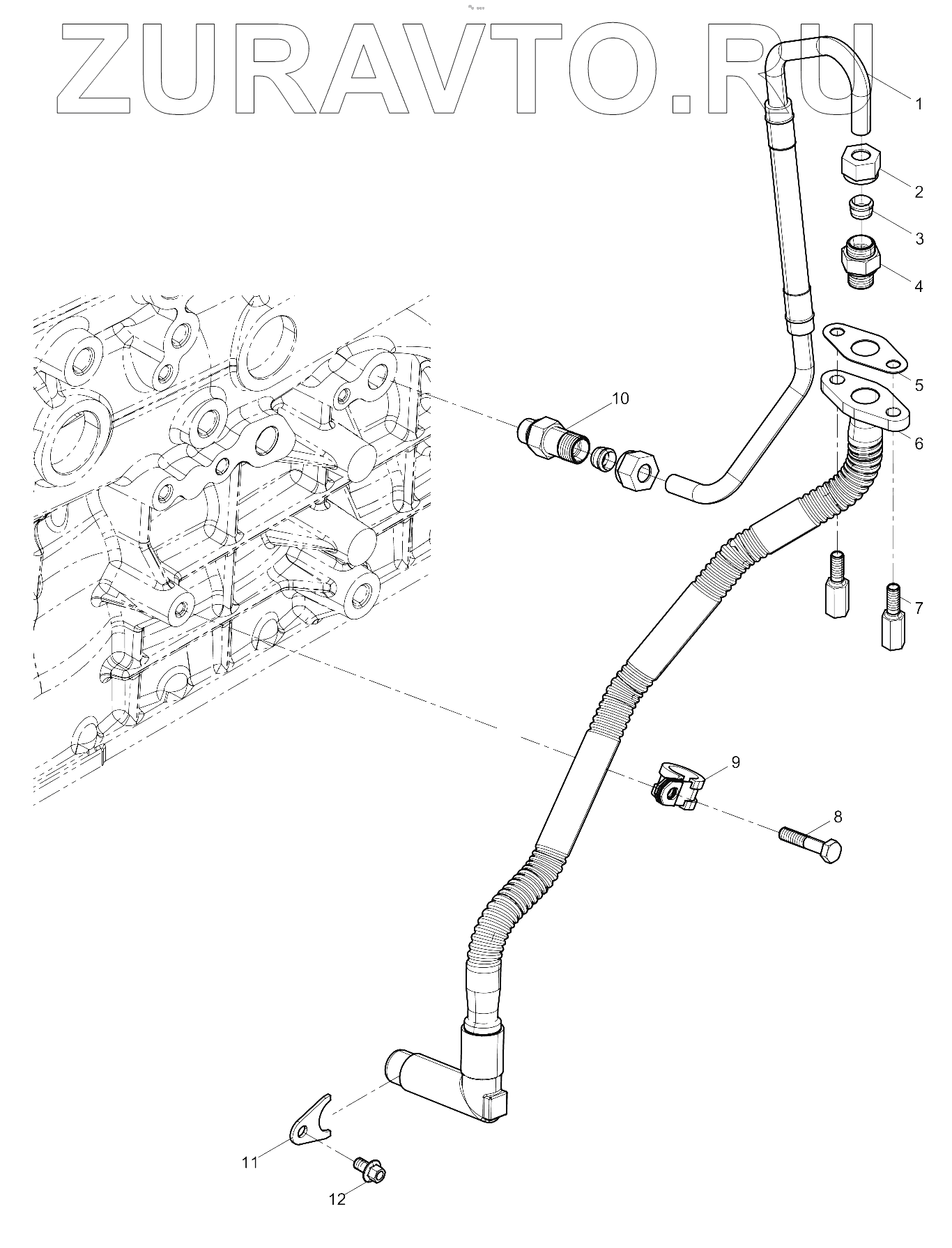
| № | Номер | Наименование | Цена | |
|---|---|---|---|---|
| 1 | 1000879928 | Turbocharger Oil Pipe | Нет в продаже |
|
| 2 | 612639000022 | Соединительная гайка | Нет в продаже |
|
| 3 | 1000886100 | Ferrule | Нет в продаже |
|
| 4 | 1000879941S | Ferrule Straight Thread Elbow-body | Нет в продаже |
|
| 5 | 1000583278 | Turbocharger Oil Pipe Gasket | Нет в продаже |
|
| 6 | 1001826421 | Turbocharger Oil Pipe Assembly | Нет в продаже |
|
| 7 | 61460070014 | 61460070014 - болт 61460070014 | Нет в продаже |
|
| 8 | 90003802419 | Винт (под угольник) | Нет в продаже |
|
| 9 | 612600111639 | Зажим | Нет в продаже |
|
| 10 | 1000889730S | Ferrule Face Straight Thread Elbow-body | Нет в продаже |
|
| 11 | 1000583648 | Bale | Нет в продаже |
|
| 12 | 9000000203 | Hexagon Flange Bolt | Нет в продаже |
|
1
2
3
4
5
6
7
8
9
10
11
12
Содержащиеся в справочниках-каталогах запасные части и детали носят исключительно информационный характер