Оригинальные каталоги
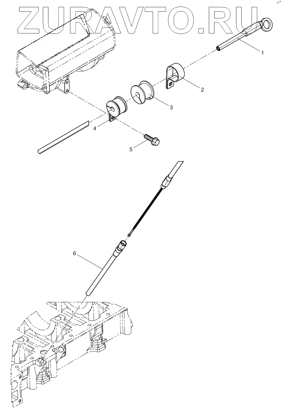
| № | Номер | Наименование | Цена | |
|---|---|---|---|---|
| 1 | 1008380626 | Dipstick Assembly | Нет в продаже |
|
| 2 | 612600010447 | Хомут прижимной | Нет в продаже |
|
| 3 | 612600010446 | Втулка резиновая | Нет в продаже |
|
| 4 | 610800110030 | Pipe Clamp Assembly | Нет в продаже |
|
| 5 | 9000000223 | Hexagon Flange Bolt | Нет в продаже |
|
| 6 | 1003085310 | Dipstick Pipe Below Set | Нет в продаже |
|
1
2
3
4
5
6
Содержащиеся в справочниках-каталогах запасные части и детали носят исключительно информационный характер