Оригинальные каталоги
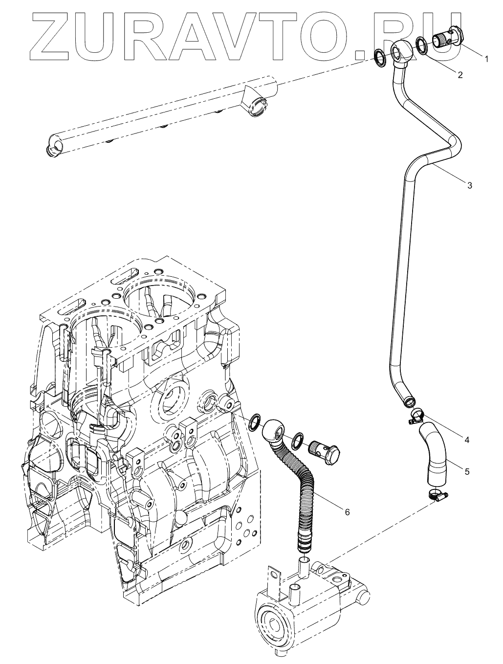
| № | Номер | Наименование | Цена | |
|---|---|---|---|---|
| 1 | 01119254 | Пустотелый болт | Нет в продаже |
|
| 2 | 13023364 | Составная уплотняющая шайба | Нет в продаже |
|
| 3 | 13057463 | Oilcooler water-outlet pipe | Нет в продаже |
|
| 4 | 12151665 | Хомут рукава | Нет в продаже |
|
| 5 | 13056351 | Coolant Connecting Rubber Pipe | Нет в продаже |
|
| 6 | 13056747 | Oil Cooler Water-inlet Pipe | Нет в продаже |
|
1
2
3
4
5
6
Содержащиеся в справочниках-каталогах запасные части и детали носят исключительно информационный характер