Оригинальные каталоги
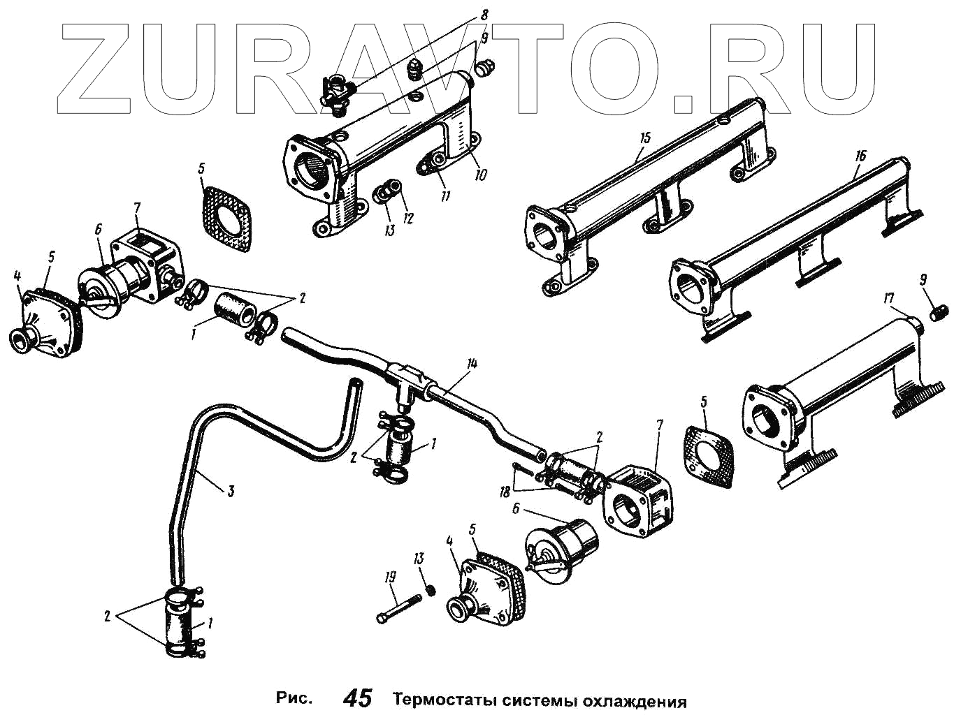
| № | Номер | Наименование | Цена | |
|---|---|---|---|---|
| 1 | 236-1306084 | Рукав соединительный | Нет в продаже |
|
| 2 | 316215-П | Хомут в сборе | Нет в продаже |
|
| 3 | 236-1306080-А | Трубка перепускная | Нет в продаже |
|
| 4 | 236-1306058 | Патрубок | Нет в продаже |
|
| 5 | 236-1306054-А | Прокладка | Нет в продаже |
|
| 6 | С107-1306100-06 | Термостат | Нет в продаже |
|
| 7 | 236-1306052 | Коробка водяного термостата | Нет в продаже |
|
| 8 | КР2-1305010-Г | Краник | Нет в продаже |
|
| 9 | 262507-П2 | Пробка К 3/8" | Нет в продаже |
|
| 10 | 236-1003290-В | Труба водяная правая | Нет в продаже |
|
| 11 | 236-1003292 | Прокладка фланца | Нет в продаже |
|
| 12 | 250511-П29 | Гайка | Нет в продаже |
|
| 13 | 252135-П2 | Шайба пружинная | Нет в продаже |
|
| 14 | 236-1306070-А2 | Трубка соединительная | Нет в продаже |
|
| 15 | 238-1003290-В | Труба водяная правая | Нет в продаже |
|
| 16 | 238-1003291-В | Труба водяная левая | Нет в продаже |
|
| 17 | 236-1003291-В | Труба водяная левая | Нет в продаже |
|
| 18 | 297575-П29 | Шплинт | Нет в продаже |
|
| 19 | 200276-П29 | Болт М8х85 | Нет в продаже |
|
1
1
1
2
2
2
2
3
4
4
5
5
5
5
6
6
7
7
8
9
9
10
11
12
13
13
14
15
16
17
18
19
Содержащиеся в справочниках-каталогах запасные части и детали носят исключительно информационный характер