Оригинальные каталоги
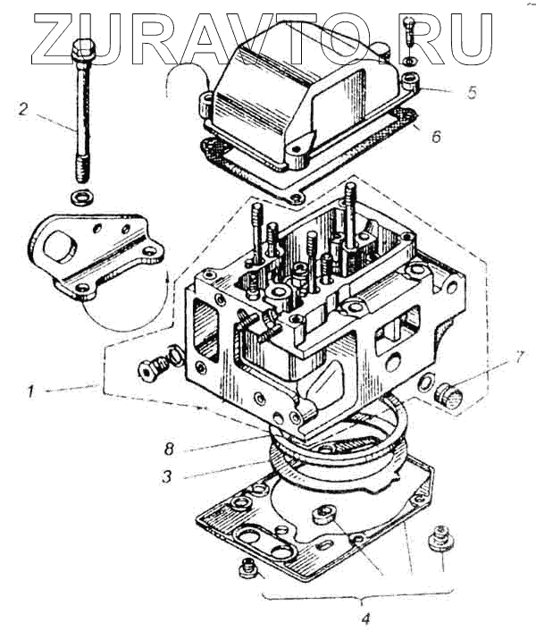
| № | Номер | Наименование | Цена | |
|---|---|---|---|---|
| 1 | 840.1003013-11 | Головка цилиндров | Нет в продаже |
|
| 1 | 846.1003013 | Головка цилиндров | Нет в продаже |
|
| 1 | 840.1003013-10 | Головка цилиндра в сборе | Нет в продаже |
|
| 2 | 840.1003016 | Болт крепления головки | Нет в продаже |
|
| 2 | 847.1003016 | Болт крепления головки цилиндров | Нет в продаже |
|
| 3 | 840.1003212-30 | Прокладка головки | Нет в продаже |
|
| 4 | 840.1003213-02 | Прокладка | Нет в продаже |
|
| 5 | 840.1003264 | Крышка головки | Нет в продаже |
|
| 6 | 840.1003270 | Прокладка крышки | Нет в продаже |
|
| 7 | 840.1003436 | Заглушка | Нет в продаже |
|
| 8 | 840.1003466 | Кольцо уплотнительное газового стыка | Нет в продаже |
|
1
1
1
2
2
3
4
5
6
7
8
Содержащиеся в справочниках-каталогах запасные части и детали носят исключительно информационный характер