Назад

Оригинальные каталоги

zoom-in zoom-out enlarge shrink circle-right circle-left file-text2 info cart
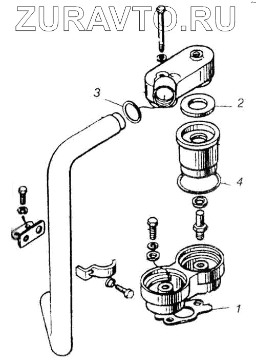
Номер Наименование Цена
1 840.1014128 Прокладка сапуна Нет в продаже
2 840.1014136 Прокладка крышки Нет в продаже
3 25 3111 2158 Кольцо 042-048-36-2-1 Нет в продаже
4 25 3111 2196 Кольцо 086-092-36-2-1 Нет в продаже
1
2
3
4
100%
Содержащиеся в справочниках-каталогах запасные части и детали носят исключительно информационный характер