Оригинальные каталоги
| № | Номер | Наименование | Цена | |
|---|---|---|---|---|
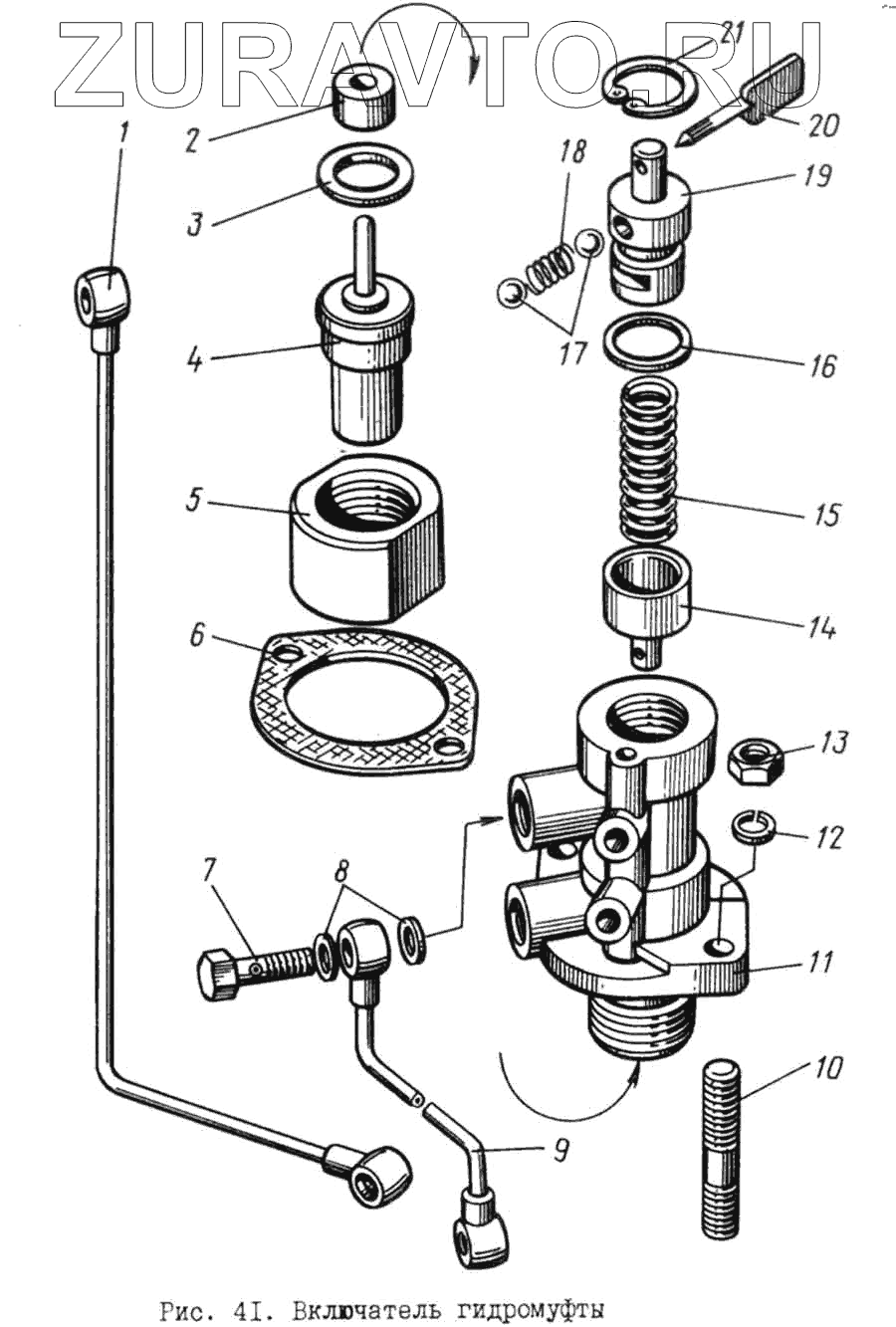
| 8423.1319010-10 | 8423.1319010-10 | Включатель гидромуфты в сборе | Нет в продаже |
|
| 1 | 842.1319140 | Трубка отводящая | Нет в продаже |
|
| 2 | 240-1305036 | Кольцо уплотнительное | Нет в продаже |
|
| 2 | 8423.1305036 | Прокладка уплотнительная | Нет в продаже |
|
| 3 | 312472-П | Шайба | Нет в продаже |
|
| 3 | 312798-П | Прокладка регулировочная | Нет в продаже |
|
| 5 | 8423.1319030 | Гайка | Нет в продаже |
|
| 5 | 842.1319030 | Гайка | Нет в продаже |
|
| 6 | 240Б-1318218 | Прокладка | Нет в продаже |
|
| 6 | 842.1319062 | Прокладка корпуса | Нет в продаже |
|
| 7 | 310122-П29 | Болт М10х1х22 | Нет в продаже |
|
| 8 | 312482-П34 | Шайба | Нет в продаже |
|
| 9 | 842.1319120 | Трубка подводящая | Нет в продаже |
|
| 10 | 216526-П29 | Шпилька | Нет в продаже |
|
| 11 | 842.1319020 | Корпус включателя | Нет в продаже |
|
| 12 | 252135-П2 | Шайба пружинная | Нет в продаже |
|
| 13 | 2505П-П29 | Гайка | Нет в продаже |
|
| 14 | 842.1319034 | Золотник включателя | Нет в продаже |
|
| 15 | 842.1319038 | Пружина возвратная | Нет в продаже |
|
| 17 | 201-1015466 | Шарик фиксатора | Нет в продаже |
|
| 18 | 842.1319053 | Пружина | Нет в продаже |
|
| 19 | 842.1319042 | Пробка переключения режимов | Нет в продаже |
|
| 20 | 841.1319046 | Рычаг переключающий | Нет в продаже |
|
| 21 | 240Н-1118034-А | Кольцо пружинное упорное | Нет в продаже |
|
1
2
2
3
3
5
5
6
6
7
8
9
10
11
12
13
14
15
17
18
19
20
21
Содержащиеся в справочниках-каталогах запасные части и детали носят исключительно информационный характер