Оригинальные каталоги
| № | Номер | Наименование | Цена | |
|---|---|---|---|---|
| Q340B08 | Q340B08 | Q340B08 - шестигранная шайба M8x1.25 Q340B08 | Нет в продаже |
|
| Q40108 | Q40108 | Q40108 - кольцо уплотнительное Q40108 | Нет в продаже |
|
| Q40308 | Q40308 | Пружинная шайба | Нет в продаже |
|
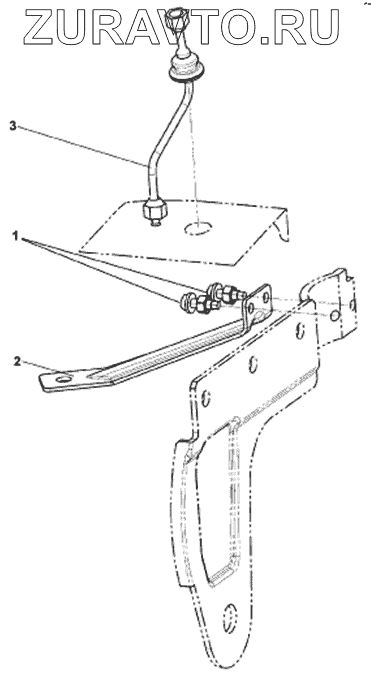
| 1 | 1606030-C0100 | Трубка | Нет в продаже |
|
| 2 | 1606036-C0100 | Держатель передней трубки сцепления | Нет в продаже |
|
| 3 | Q150B0825 | Болт | Нет в продаже |
|
1
2
3
Содержащиеся в справочниках-каталогах запасные части и детали носят исключительно информационный характер