Оригинальные каталоги
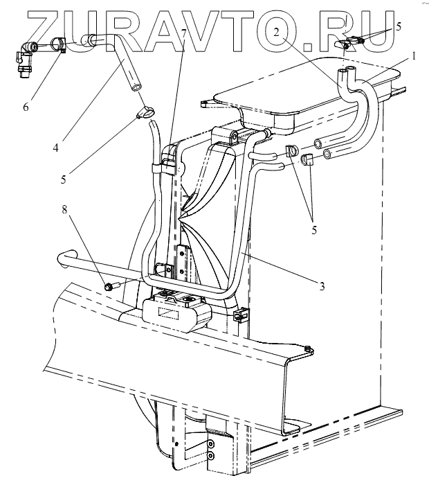
| № | Номер | Наименование | Цена | |
|---|---|---|---|---|
| 1 | 8116711-50A | Впускной гибкий рукав А | Нет в продаже |
|
| 2 | 8116712-50A | Выпускной рукав | Нет в продаже |
|
| 3 | 8116715-50A | Сварочная впускная труба в сборе B | Нет в продаже |
|
| 4 | 8116714-50A | Впускной гибкий рукав C | Нет в продаже |
|
| 5 | CQ67627B | Хомут | Нет в продаже |
|
| 6 | CQ67630B | Лирка червячного рукава типа В | Нет в продаже |
|
| 7 | 8116720-50A | Кольцевой хомут в сборе | Нет в продаже |
|
| 8 | CQ1460816 | Болт | Нет в продаже |
|
1
2
3
4
5
5
5
6
7
8
Содержащиеся в справочниках-каталогах запасные части и детали носят исключительно информационный характер