Оригинальные каталоги
| № | Номер | Наименование | Цена | |
|---|---|---|---|---|
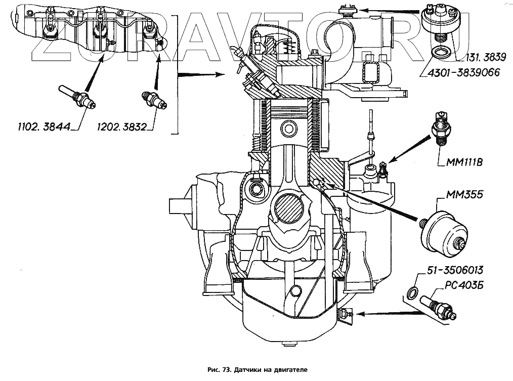
| ММ111В | ММ111В | Датчик аварийного давления масла | Нет в продаже |
|
| 1102.3844000 | 1102.3844000 | Датчик аварийной температуры головки цилиндров 1102.3844 | Нет в продаже |
|
| 131.3839 | 131.3839 | Датчик засоренности воздушного фильтра (131.3839600) | Нет в продаже |
|
| ММ355-3829010 | ММ355-3829010 | Датчик указателя давления масла ММ355 | Нет в продаже |
|
| 1202.3832000 | 1202.3832000 | Датчик указателя температуры головки цилиндра 1202.3832 | Нет в продаже |
|
| 4301-3839066 | 4301-3839066 | Прокладка уплотнительная датчика | Нет в продаже |
|
| 51-3506013 | 51-3506013 | Прокладка | Нет в продаже |
|
| РС403Б-3729010 | РС403Б-3729010 | Сигнализатор перегрева масла в двигателе РС403Б | Нет в продаже |
|
ММ111В
1102.3844000
131.3839
ММ355-3829010
1202.3832000
4301-3839066
51-3506013
РС403Б-3729010
Содержащиеся в справочниках-каталогах запасные части и детали носят исключительно информационный характер