Оригинальные каталоги
| № | Номер | Наименование | Цена | |
|---|---|---|---|---|
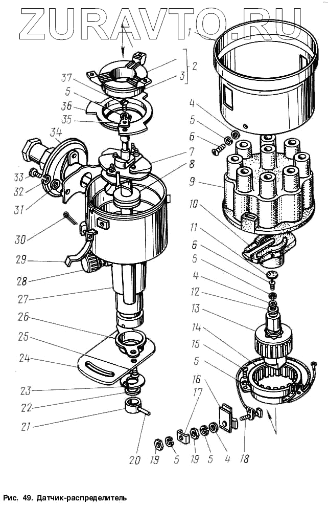
| 1 | 24.3706001 | Экран | Нет в продаже |
|
| 2 | Р352-3706800 | Опора статора в сборе | Нет в продаже |
|
| 3 | 7690906 | Подшипник в сборе | Нет в продаже |
|
| 3 | 7690906 | Подшипник в сборе | Нет в продаже |
|
| 4 | Шайба 4 | Шайба 4 | Нет в продаже |
|
| 5 | Шайба 4Н65Г | Шайба 4Н65Г | Нет в продаже |
|
| 6 | Винт М4х10 | Винт М4х10 | Нет в продаже |
|
| 7 | Р352-3706200 | Валик с автоматом в сборе | Нет в продаже |
|
| 8 | 6-8102 | Подшипник в сборе (покупное изделие) | Нет в продаже |
|
| 8 | 6-8102 | Подшипник в сборе (покупное изделие) | Нет в продаже |
|
| 9 | Р12-3706500 | Крышка распре делителя в сборе | Нет в продаже |
|
| 10 | 24.3706020 | Бегунок с резистором в сборе | Нет в продаже |
|
| 11 | Р34-3706006-Т | Сальник | Нет в продаже |
|
| 12 | Шайба 7 (количество определяется регулир | Шайба 7 (количество определяется регулировкой) | Нет в продаже |
|
| 13 | Р352-3706400 | Ротор в сборе | Нет в продаже |
|
| 14 | 24.3706300 | Статор в сборе | Нет в продаже |
|
| 15 | Винт М4х8 | Винт М4х8 | Нет в продаже |
|
| 16 | 24.3706301 | Зажим изоляционный | Нет в продаже |
|
| 17 | Р4-370006 | Скоба | Нет в продаже |
|
| 18 | Н-1958 | Болт специальный | Нет в продаже |
|
| 19 | Гайка М4 | Гайка М4 | Нет в продаже |
|
| 20 | Заклепка 3х19 | Заклепка 3х19 | Нет в продаже |
|
| 21 | Р351-3706040 | Муфта | Нет в продаже |
|
| 22 | Р351-3706014 | Шайба 13 | Нет в продаже |
|
| 23 | Р352-3706008 | Шайба специальная | Нет в продаже |
|
| 24 | Р352-3706002 | Пластина установочная | Нет в продаже |
|
| 25 | Винт М5х16 | Винт М5х16 | Нет в продаже |
|
| 26 | Р352-3706003 | Шайба специальная | Нет в продаже |
|
| 27 | 24.3706100 | Корпус в сборе | Нет в продаже |
|
| 28 | Р-8050-АТ | Крышка масленки | Нет в продаже |
|
| 29 | 1-ИГ-694-Т | Пружина крышки | Нет в продаже |
|
| 30 | Шплинт 3,2х20 | Шплинт 3,2х20 | Нет в продаже |
|
| 31 | 45 9811 1254 | Шайба 5 | Нет в продаже |
|
| 32 | Шайба 5Л65Г | Шайба 5Л65Г | Нет в продаже |
|
| 33 | Винт М5х12 | Винт М5х12 | Нет в продаже |
|
| 34 | 24.3706600 | Регулятор вакуумный в сборе | Нет в продаже |
|
| 35 | Р352-3706004 | Держатель | Нет в продаже |
|
| 36 | Р352-3706001 | Обойма подшипника | Нет в продаже |
|
| 37 | Винт М4х12 | Винт М4х12 | Нет в продаже |
|
1
2
3
3
4
4
4
5
5
5
5
5
5
6
6
7
8
8
9
10
11
12
13
14
15
16
17
18
19
19
20
21
22
23
24
25
26
27
28
29
30
31
32
33
34
35
36
37
Содержащиеся в справочниках-каталогах запасные части и детали носят исключительно информационный характер