Оригинальные каталоги
| № | Номер | Наименование | Цена | |
|---|---|---|---|---|
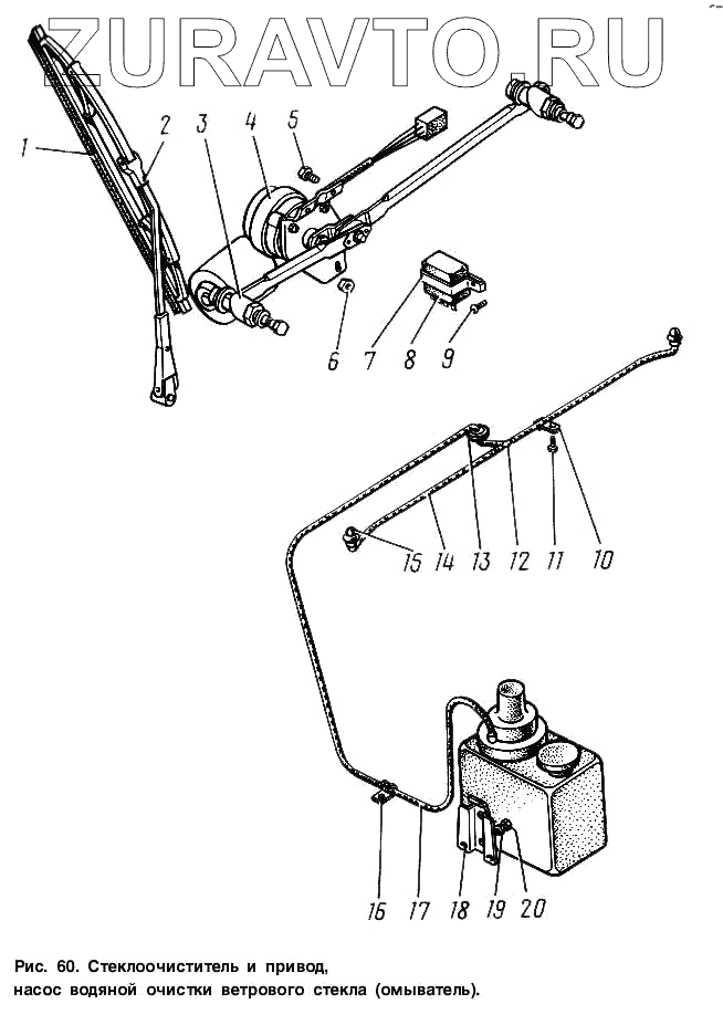
| 1102.5208000 | 1102.5208000 | Омыватель электрический | Нет в продаже |
|
| 1 | 20.5205900 | Щетка стеклоочистителя в сборе | Нет в продаже |
|
| 2 | 20.5205800 | Рычаг стеклоочистителя в сборе | Нет в продаже |
|
| 3 | 20.5205100 | Привод стеклоочистителя в сборе (покупное изделие) | Нет в продаже |
|
| 4 | 20.5205010 | Стеклоочиститель в сборе (покупное изделие) | Нет в продаже |
|
| 5 | 45 9376 1101 | Болт М6-6gх12 | Нет в продаже |
|
| 6 | 45 9553 1818 | Гайка М6-6Н | Нет в продаже |
|
| 7 | 3307-5205354 | Держатель | Нет в продаже |
|
| 8 | 52.3747010 | Прерыватель стеклоочистителя в сборе (покупное изделие) | Нет в продаже |
|
| 9 | 224622-П29 | Винт М6-6gх10 ОСТ 37.001.130-81 | Нет в продаже |
|
| 10 | 51-3802040 | Скоба | Нет в продаже |
|
| 11 | 240817-П29 | Винт М4х10 ОСТ 37.001.188-81 | Нет в продаже |
|
| 12 | 24-5208190-02 | Тройник | Нет в продаже |
|
| 13 | 21-5208150 | Втулка уплотнительная | Нет в продаже |
|
| 14 | 3307-5208096 | Трубка | Нет в продаже |
|
| 15 | 11.5208500 | Жиклер (покупное изделие) | Нет в продаже |
|
| 16 | 24-3724093 | Скоба | Нет в продаже |
|
| 17 | 14-5208094 | Трубка | Нет в продаже |
|
| 18 | 4301-5208116 | Держатель бачка омывателя | Нет в продаже |
|
| 19 | 252134-П2 | Шайба 6Т ОСТ 37.001.115-75 | Нет в продаже |
|
| 20 | 201416-П29 | Болт М6-6gх12 ОСТ 37.001.123-96 | Нет в продаже |
|
1
2
3
4
5
6
7
8
9
10
11
12
13
14
15
16
17
18
19
20
Содержащиеся в справочниках-каталогах запасные части и детали носят исключительно информационный характер