Оригинальные каталоги
| № | Номер | Наименование | Цена | |
|---|---|---|---|---|
| 51-3706010-Б | 51-3706010-Б | Распределитель в сборе (Р20) | Нет в продаже |
|
| Н-1360 | Н-1360 | Шайба 5,3 плоская | Нет в продаже |
|
| Н-1318 | Н-1318 | Винт М4х6 | Нет в продаже |
|
| Н-1314 | Н-1314 | Винт М5х12 | Нет в продаже |
|
| Р20-3706360 | Р20-3706360 | Провод соединительный в сборе | Нет в продаже |
|
| Н-1395 | Н-1395 | Шайба рычага прерывателя замковая | Нет в продаже |
|
| Н-1386 | Н-1386 | Шайба 4 пружинная | Нет в продаже |
|
| Н-1350 | Н-1350 | Шайба 4 | Нет в продаже |
|
| Н-1387 | Н-1387 | Шайба 5,4 пружинная | Нет в продаже |
|
| Н-1387 | Н-1387 | Шайба 5,4 пружинная | Нет в продаже |
|
| Н-1313 | Н-1313 | Винт М5х10 | Нет в продаже |
|
| 222525-П8 | 222525-П8 | Винт М6х16 | Нет в продаже |
|
| 252004-П8 | 252004-П8 | Шайба 6 | Нет в продаже |
|
| 252154-П2 | 252154-П2 | Шайба 6Л ОСТ 37.001.115-75 | Нет в продаже |
|
| 298492-П | 298492-П | Штуцер угловой трубки вакуумного регулятора распределителя | Нет в продаже |
|
| 280020-П8 | 280020-П8 | Штуцер трубки вакуумного регулятора распределителя прямой (к карбюратору) | Нет в продаже |
|
| НМВ-10-3854 | НМВ-10-3854 | Пробка вакуумного регулятора | Нет в продаже |
|
| 11-12211-М | 11-12211-М | Скоба крепления трубки вакуумного регулятора распределителя к двигателю | Нет в продаже |
|
| 51-3706315 | 51-3706315 | Трубка вакуумного регулятора распределителя в сборе | Нет в продаже |
|
| Р20-3706611 | Р20-3706611 | Пружина вакуумного регулятора | Нет в продаже |
|
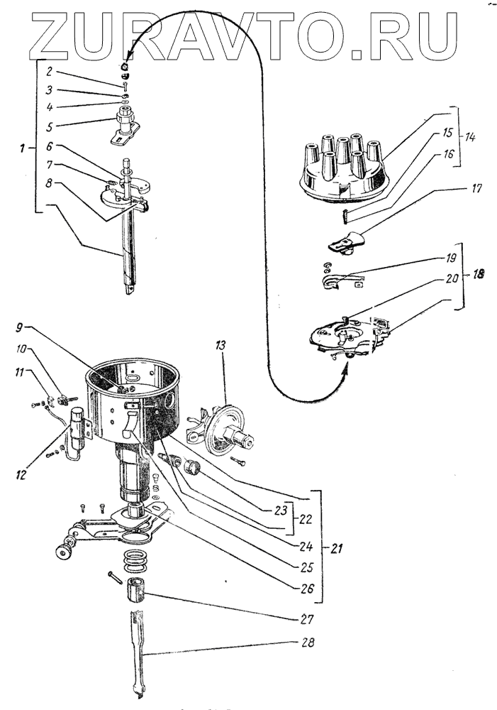
| 1 | Р20-3706200 | Валик распределителя с центробежным автоматом в сборе | Нет в продаже |
|
| 2 | Н-1309 | Винт М4х10 | Нет в продаже |
|
| 3 | Н-1382 | Шайба пружинная диаметром 4,5 мм | Нет в продаже |
|
| 4 | Н-1351 | Шайба плоская | Нет в продаже |
|
| 5 | Р20-3706230 | Кулачок прерывателя в сборе | Нет в продаже |
|
| 6 | Р20-3706240 | Груз центробежного автомата в сборе | Нет в продаже |
|
| 7 | СТ-7302 | Пружина груза толстая | Нет в продаже |
|
| 8 | СТ-7303 | Пружина груза тонкая | Нет в продаже |
|
| 9 | Р10-7064 | Втулка клеммы изоляционная | Нет в продаже |
|
| 10 | Р10-7061 | Клемма вывода низкого напряжения | Нет в продаже |
|
| 11 | Р10-7063 | Скоба клеммы | Нет в продаже |
|
| 12 | Р20-3706400 | Конденсатор в сборе | Нет в продаже |
|
| 13 | Р20-3706600-А | Регулятор вакуумный с кронштейном в сборе | Нет в продаже |
|
| 14 | Р20-3706500 | Крышка распределителя в сборе | Нет в продаже |
|
| 15 | 1-ИГ-515 | Пружина контактного уголька | Нет в продаже |
|
| 16 | 1-ИГ-514 | Уголек контактный | Нет в продаже |
|
| 17 | Р20-3706020 | Бегунок распределителя в сборе | Нет в продаже |
|
| 18 | Р20-3706300 | Прерыватель в сборе | Нет в продаже |
|
| 19 | Р-7969 | Рычаг прерывателя в сборе (молоточек) | Нет в продаже |
|
| 20 | Р10-7144 | Стойка прерывателя контактная в сборе (наковальня) | Нет в продаже |
|
| 21 | Р20-3706100 | Корпус крепления крышки распределителя | Нет в продаже |
|
| 22 | Р34-3706110 | Масленка распределителя в сборе | Нет в продаже |
|
| 23 | Р-8050-А | Крышка масленки | Нет в продаже |
|
| 24 | 1-ИГ-352 | Ось пружины крышки распределителя | Нет в продаже |
|
| 25 | 1-ИГ-694 | Пружина крепления крышки распределителя | Нет в продаже |
|
| 26 | 1-ИГ-579-А | Втулка валика распределителя | Нет в продаже |
|
| 27 | Р23-3706011 | Муфта промежуточного валика распределителя | Нет в продаже |
|
| 28 | Р20-3706012 | Валик распределителя промежуточный | Нет в продаже |
|
51-3706010-Б
1
2
3
4
5
6
7
8
9
10
11
12
13
14
15
16
17
18
19
20
21
22
23
24
25
26
27
28
Содержащиеся в справочниках-каталогах запасные части и детали носят исключительно информационный характер