Оригинальные каталоги
| № | Номер | Наименование | Цена | |
|---|---|---|---|---|
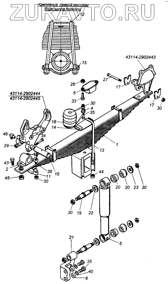
| 43114-2900001 | 43114-2900001 | Установка передней подвески | Нет в продаже |
|
| 1 | 55111-2902012-01 | Рессора передняя в сборе | Нет в продаже |
|
| 2 | 43114-2902018 | Ушко с втулкой в сборе | Нет в продаже |
|
| 4 | 5320-2902635 | Втулка буфера в сборе | Нет в продаже |
|
| 5 | 4310-2902684 | 4310-2902684 - буфер 4310-2902684 | Нет в продаже |
|
| 6 | 4310-2905006 | Амортизатор передней подвески в сборе | Нет в продаже |
|
| 8 | 5320-2403072 | 5320-2403072 - втулка разжимная 5320-2403072 | Нет в продаже |
|
| 11 | 5320-2902128-10 | 5320-2902128-10 - накладка 5320-2902128-10 | Нет в продаже |
|
| 12 | 4310-2912408-10 | Стремянка передней рессоры правая | Нет в продаже |
|
| 13 | 4310-2902409-10 | Стремянка левая | Нет в продаже |
|
| 14 | 4310-2902412-10 | Накладка передней рессоры | Нет в продаже |
|
| 15 | 4310-2902418 | Подкладка | Нет в продаже |
|
| 16 | 5320-2902478 | Палец ушка | Нет в продаже |
|
| 17 | 5320-2902545-10 | 5320-2902545-10 - вкладыш 5320-2902545-10 | Нет в продаже |
|
| 18 | 5320-2902624 | 5320-2902624 - буфер 5320-2902624 | Нет в продаже |
|
| 19 | 53212-2905418 | 53212-2905418 - палец крепления амортизатора 53212-2905418 | Нет в продаже |
|
| 20 | 53212-2905486 | Втулка крепления амортизатора КамАЗ, МАЗ, ПАЗ 53212-2905486 |
39 Р
|
|
| 21 | 4310-2905519 | Кронштейн ушка рессоры левый ( КАМАЗ) |
1632 Р
|
|
| 22 | 53212-2905574 | Шайба (КАМАЗ) КАМАЗ ПАО КАМАЗ ПАО |
81 Р
|
|
| 23 | 53212-2905576 | 53212-2905576 - шайба 53212-2905576 | Нет в продаже |
|
| 27 | 1/58643/31 | Болт М16х1,5-6gх130 | Нет в продаже |
|
| 28 | 251646 | Гайка М10х1,25-6Н ОСТ 37.001.197-75 | Нет в продаже |
|
| 29 | 251648 | Гайка М14х1,5-6Н ОСТ 37.001.197-75 | Нет в продаже |
|
| 30 | 251649 | Гайка М16х1,5-6Н ОСТ 37.001.197-97 | Нет в продаже |
|
| 33 | 1/59707/21 | Болт М10х1,25-6gх25 | Нет в продаже |
|
| 34 | 1/58621/31 | Болт М14х1,5-6gх80 | Нет в продаже |
|
| 35 | 1/58405/31 | Болт М16х1,5-6gх50 | Нет в продаже |
|
| 36 | 1/12541/21 | Болт М16х1,5-6gх80 | Нет в продаже |
|
| 40 | 1/05172/77 | Шайба 16 пружинная | Нет в продаже |
|
| 43 | 853050 | Болт М20х1,5-6gх45 | Нет в продаже |
|
| 44 | 853510 | Гайка | Нет в продаже |
|
| 45 | 853528 | Гайка М20х1,5-6Н | Нет в продаже |
|
| 46 | 864006 | 864006 - пресс-масленка 864006 | Нет в продаже |
|
1
2
4
5
6
8
11
12
13
14
15
16
17
17
18
19
20
20
21
22
23
27
28
29
30
30
30
30
30
33
34
35
35
36
40
43
44
45
46
Содержащиеся в справочниках-каталогах запасные части и детали носят исключительно информационный характер