Оригинальные каталоги
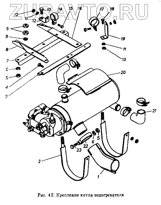
| № | Номер | Наименование | Цена | |
|---|---|---|---|---|
| 1 | 5320-1015306 | Патрубок (КАМАЗ) |
387 Р
|
|
| 2 | 5320-1015022 | Лента в сборе | Нет в продаже |
|
| 3 | 5320-1015069 | 5320-1015069 - угольник 5320-1015069 | Нет в продаже |
|
| 4 | 1/60434/21 | Болт М8-6gх20 | Нет в продаже |
|
| 5 | 1/21647/11 | Гайка М10х1,25-6Н | Нет в продаже |
|
| 6 | 1/05168/77 | Шайба 10 пружинная | Нет в продаже |
|
| 7 | 5320-1015068 | Угольник правый | Нет в продаже |
|
| 8 | 5320-1015072 | кронштейн (КАМАЗ) |
272 Р
|
|
| 9 | 1/26386/01 | 1/26386/01 - шайба 1 | Нет в продаже |
|
| 10 | 1/61008/11 | Гайка М8х1,25-6Н | Нет в продаже |
|
| 11 | 1/05166/77 | Шайба 8 пружинная | Нет в продаже |
|
| 12 | 5320-1015092 | Кронштейн | Нет в продаже |
|
| 13 | 1/59707/21 | Болт М10х1,25-6gх25 | Нет в продаже |
|
| 14 | 864408 | Хомут 37 | Нет в продаже |
|
| 15 | 1/60438/21 | Болт М8-6gх30 | Нет в продаже |
|
| 16 | 5320-1015074 | Кронштейн задний | Нет в продаже |
|
| 17 | 864413 | Хомут (КАМАЗ) |
157.3 Р
|
|
| 18 | 1/60436/21 | 1/60436/21 - болт 1 | Нет в продаже |
|
| 19 | 5320-1015198 | Кронштейн правый | Нет в продаже |
|
| 20 | 5320-1015115 | Опора котла | Нет в продаже |
|
| 21 | 5320-1311049 | 5320-1311049 - шланг 5320-1311049 | Нет в продаже |
|
| 22 | 864404 | 864404 - хомут 864404 | Нет в продаже |
|
| 23 | 1/59709/21 | Болт М10х1,25-6gх35 | Нет в продаже |
|
1
2
3
4
5
5
5
6
6
7
8
9
10
10
11
11
12
13
14
15
16
17
18
19
20
21
22
23
Содержащиеся в справочниках-каталогах запасные части и детали носят исключительно информационный характер