Оригинальные каталоги
| № | Номер | Наименование | Цена | |
|---|---|---|---|---|
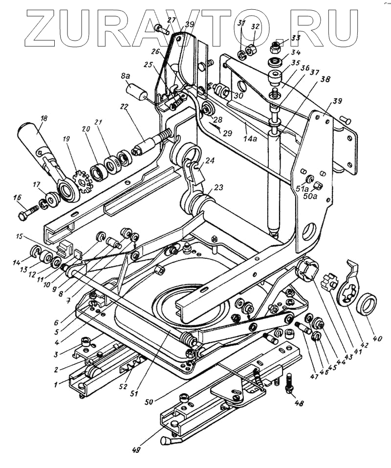
| 5460-6804010 | 5460-6804010 | Механизм подрессоривания сидения в сборе | Нет в продаже |
|
| 1 | 5320-6804125 | Ролик механизма перемещения сиденья | Нет в продаже |
|
| 2 | 864736 | Шарик Б5 | Нет в продаже |
|
| 3 | 1/21647/11 | Гайка М10х1,25-6Н | Нет в продаже |
|
| 4 | 251646 | Гайка М10х1,25-6Н ОСТ 37.001.197-75 | Нет в продаже |
|
| 5 | 1/05166/77 | Шайба 8 пружинная | Нет в продаже |
|
| 6 | 1/61008/11 | Гайка М8х1,25-6Н | Нет в продаже |
|
| 7 | 5320-6804568 | Прокладка подвески сиденья | Нет в продаже |
|
| 8 | 5320-6804617 | Втулка оси шарнира | Нет в продаже |
|
| 8 | 5320-8109044-10 | 5320-8109044-10 - ручка управления 5320-8109044-10 | Нет в продаже |
|
| 9 | 5320-6804614 | Ось соединения шарниров подвески | Нет в продаже |
|
| 10 | 1/10880/76 | 1/10880/76 - шайба 1 | Нет в продаже |
|
| 11 | 5320-6804533 | Сухарь буфера | Нет в продаже |
|
| 12 | 5320-6804568 | Прокладка подвески сиденья | Нет в продаже |
|
| 13 | 5320-6804569 | Ролик шарнира | Нет в продаже |
|
| 14 | 5460-6804380 | Механизм блокировки спинки сиденья (а) | Нет в продаже |
|
| 14 | 1/10880/76 | 1/10880/76 - шайба 1 | Нет в продаже |
|
| 15 | 5320-6804530 | Буфер шарнира | Нет в продаже |
|
| 16 | 1/60434/21 | Болт М8-6gх20 | Нет в продаже |
|
| 17 | 5320-6804751 | Подкладка ручки | Нет в продаже |
|
| 18 | 5320-6804756 | Ручка регулировки торсиона в сборе | Нет в продаже |
|
| 19 | 5320-6804749 | Звездочка винта | Нет в продаже |
|
| 20 | 5320-6804681 | Подкладка ручки | Нет в продаже |
|
| 21 | 108903 | Подшипник | Нет в продаже |
|
| 22 | 5320-6804665 | Винт регулировки торсиона | Нет в продаже |
|
| 23 | 5320-6804592 | Окантовка трубы торсиона подвески сиденья | Нет в продаже |
|
| 24 | 5320-6804625 | Вилка торсиона подвески | Нет в продаже |
|
| 25 | 5320-6804327 | Пружина регулировочная | Нет в продаже |
|
| 26 | 5320-6804320 | Механизм регулировки наклона спинки в сборе | Нет в продаже |
|
| 27 | 1/04315/00 | Заклепка 6х14 | Нет в продаже |
|
| 28 | 5320-6804741 | Ограничитель винта | Нет в продаже |
|
| 29 | 1/07969/01 | Шплинт 3,7х25 | Нет в продаже |
|
| 30 | 5320-6804683 | Втулка скользящая | Нет в продаже |
|
| 31 | 1/05166/77 | Шайба 8 пружинная | Нет в продаже |
|
| 32 | 1/61096/11 | Гайка глухая | Нет в продаже |
|
| 33 | 251646 | Гайка М10х1,25-6Н ОСТ 37.001.197-75 | Нет в продаже |
|
| 34 | 5320-6804675 | Шайба специальная | Нет в продаже |
|
| 35 | 5320-6804653 | Буфер амортизатора наружный | Нет в продаже |
|
| 36 | 5320-6804643 | Поперечина крепления амортизатора подвески сиденья | Нет в продаже |
|
| 37 | 5320-6804655 | Буфер амортизатора внутренний | Нет в продаже |
|
| 38 | 11.6809010ГЧ | Амортизатор | Нет в продаже |
|
| 39 | 5460-6804511/510 | Боковина подвески сиденья левая в сборе/правая в сборе | Нет в продаже |
|
| 40 | 5320-6804592 | Окантовка трубы торсиона подвески сиденья | Нет в продаже |
|
| 41 | 5320-6804627 | Держатель торсиона | Нет в продаже |
|
| 42 | 5320-6804595 | Указатель направления вращения торсиона подвески сиденья | Нет в продаже |
|
| 43 | 5320-6004623 | Торсион подвески сиденья | Нет в продаже |
|
| 44 | 5320-6804617 | Втулка оси шарнира | Нет в продаже |
|
| 45 | 1/10880/76 | 1/10880/76 - шайба 1 | Нет в продаже |
|
| 46 | 5320-6804568 | Прокладка подвески сиденья | Нет в продаже |
|
| 47 | 5320-6804614 | Ось соединения шарниров подвески | Нет в продаже |
|
| 48 | 1/32796/01 | 1/32796/01 - винт 1 | Нет в продаже |
|
| 49 | 5320-6804111 | Механизм перемещения сиденья водителя левый в сборе | Нет в продаже |
|
| 50 | 251645 | Гайка М8-6Н ОСТ 37.001.197-75 | Нет в продаже |
|
| 50 | 5320-6804163 | Стяжка механизма перемещения сиденья | Нет в продаже |
|
| 51 | 1/05166/77 | Шайба 8 пружинная | Нет в продаже |
|
| 51 | 5320-6804560 | Шарнир подвески сиденья водителя передний в сборе | Нет в продаже |
|
| 52 | 5320-6804540 | Основание подвески сиденья в сборе | Нет в продаже |
|
1
2
3
4
5
6
7
8
8
9
10
11
12
13
14
14
15
16
17
18
19
20
21
22
23
24
25
26
27
28
29
30
31
32
33
34
35
36
37
38
39
39
40
41
42
43
44
45
46
47
48
49
50
50
51
51
52
Содержащиеся в справочниках-каталогах запасные части и детали носят исключительно информационный характер