Назад

Оригинальные каталоги

zoom-in zoom-out enlarge shrink circle-right circle-left file-text2 info cart
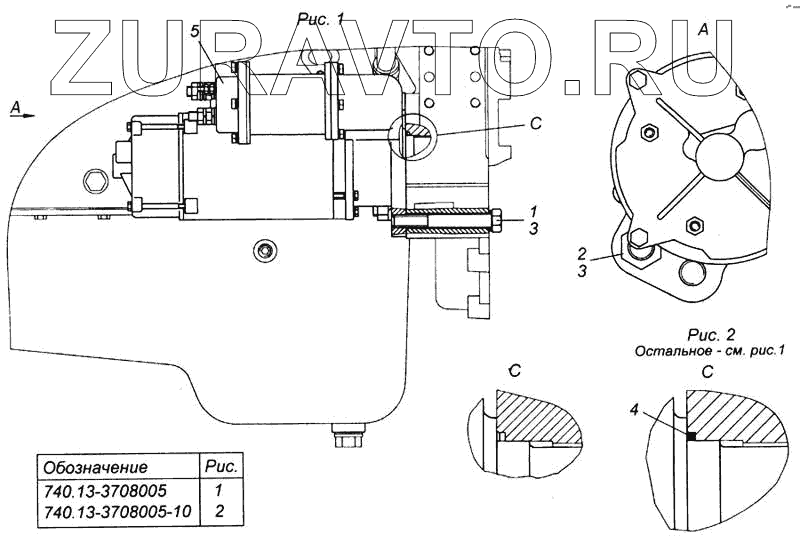
Номер Наименование Цена
1 1/58643/31 Болт М16х1,5-6gх130 Нет в продаже
2 1/21641/11 Гайка М16х1,5-6Н Нет в продаже
3 1/05172/77 Шайба 16 пружинная Нет в продаже
5 СТ142Б1-3708000 Стартер в сборе ТУ 37.003.1375-88 Нет в продаже
1
2
3
3
5
100%
Содержащиеся в справочниках-каталогах запасные части и детали носят исключительно информационный характер