Оригинальные каталоги
| № | Номер | Наименование | Цена | |
|---|---|---|---|---|
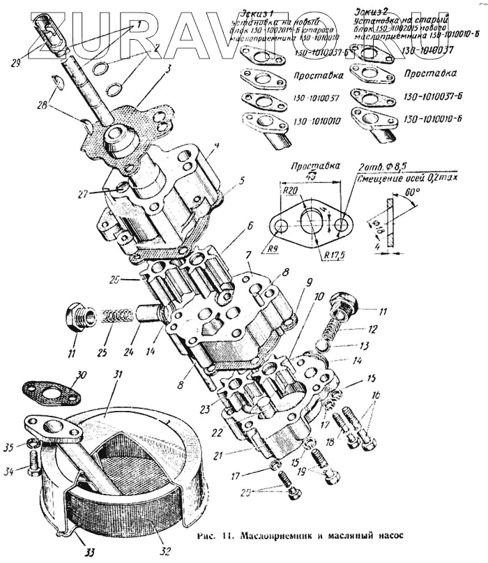
| 130-1011016 | 130-1011016 | Корпус верхней секции масляного насоса с осью в сборе | Нет в продаже |
|
| 130-1011108 | 130-1011108 | Корпус нижней секции масляного насоса с осью и перепускным клапаном в сборе | Нет в продаже |
|
| 130-1011050-Б2 | 130-1011050-Б2 | Крышка масляного насоса с редукционным клапаном в сборе | Нет в продаже |
|
| 130-1011010-Б | 130-1011010-Б | Масляный насос а сборе | Нет в продаже |
|
| 130-1011009 | 130-1011009 | Масляный насос в сборе (с транспортными пробками) | Нет в продаже |
|
| 1 | 130-1011042-6 | Вал масляного насоса | Нет в продаже |
|
| 2 | 120-1011047 | Кольцо ведущих шестерен масляного насоса пружинное | Нет в продаже |
|
| 3 | 130-1011061 | Прокладка масляного насоса | Нет в продаже |
|
| 4 | 130-1011020-Б | Корпус верхней секции масляного насоса | Нет в продаже |
|
| 5 | 130-1011065-Б | Прокладка крышки масляного насоса | Нет в продаже |
|
| 6 | 130-1011045 | Шестерня верхней секции масляного насоса ведущая | Нет в продаже |
|
| 7 | 130-1011052-В | Крышка масляного насоса | Нет в продаже |
|
| 8 | 305443-П8 | Штифт | Нет в продаже |
|
| 9 | 130-1011065-Б | Прокладка крышки масляного насоса | Нет в продаже |
|
| 10 | 130-1011049 | Шестерня нижней секции масляного насоса ведущая | Нет в продаже |
|
| 11 | 130-1011062 | Пробка редукционного и перепускного клапанов | Нет в продаже |
|
| 12 | 124-1011058 | Пружина перепускного клапана | Нет в продаже |
|
| 13 | 306200-П | Шарик перепускного клапана | Нет в продаже |
|
| 14 | 307270-П | Прокладка пробок клапанов | Нет в продаже |
|
| 15 | 252136-П2 | Шайба пружинная | Нет в продаже |
|
| 16 | 200332-П8 | Болт крепления масляного насоса короткий | Нет в продаже |
|
| 17 | 252135-П2 | Шайба пружинная | Нет в продаже |
|
| 18 | 200277-П8 | Болт крепления крышки масляного насоса длинный | Нет в продаже |
|
| 19 | 301057-П | Болт крепления масляного насоса длинный | Нет в продаже |
|
| 20 | 200273-П8 | Болт крепления крышки масляного насоса короткий | Нет в продаже |
|
| 21 | 130-1011110 | Корпус нижней секции масляного насоса | Нет в продаже |
|
| 22 | 130-1011027 | Ось ведомой шестерни нижней секции масляного насоса | Нет в продаже |
|
| 23 | 130-1011037-А | Шестерня нижней секции масляного насоса ведомая | Нет в продаже |
|
| 24 | 150В-1011090 | Плунжер редукционного клапана | Нет в продаже |
|
| 25 | 130-1011058-Б | Пружина редукционного клапана | Нет в продаже |
|
| 26 | 130-1011032-А | Шестерня верхней секции масляного насоса ведомая | Нет в продаже |
|
| 27 | 130-1011025 | Ось ведомой шестерни верхней секции масляного насоса | Нет в продаже |
|
| 28 | 304905-П | Шпонка ведущих шестерен масляного насоса | Нет в продаже |
|
| 29 | 111-1011043 | Втулка масляного насоса центрирующая | Нет в продаже |
|
| 30 | 130-1010037-Б | Прокладка фланца трубки маслоприемника | Нет в продаже |
|
| 31 | 130-1010024-Б | Колпак маслоприемника с трубкой в сборе | Нет в продаже |
|
| 32 | 130-1010040-А2 | Сетка маслоприемника в сборе | Нет в продаже |
|
| 33 | 130-1010075 | Замок сетки маслоприемника | Нет в продаже |
|
| 34 | 201456-П8 | Болт крепления сиденья | Нет в продаже |
|
| 35 | 252135-П2 | Шайба пружинная | Нет в продаже |
|
1
2
3
4
5
6
7
8
9
10
11
12
13
14
15
16
17
18
19
20
21
22
23
24
25
26
27
28
29
30
31
32
33
34
35
Содержащиеся в справочниках-каталогах запасные части и детали носят исключительно информационный характер