Оригинальные каталоги
| № | Номер | Наименование | Цена | |
|---|---|---|---|---|
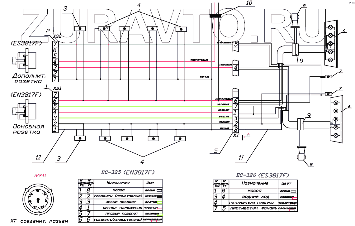
| 1 | 3421313003 | Розетка ПС-325 EN3817F | Нет в продаже |
|
| 2 | 3421313018 | Розетка ПС-326 EN3817F | Нет в продаже |
|
| 3 | 4573640533 | Передний габаритный фонарь ГФ1-15 | Нет в продаже |
|
| 4 | 4573640532 | Боковой габаритный фонарь ГФ1-25 | Нет в продаже |
|
| 5 | Разъём | Разъём соединительный | Нет в продаже |
|
| 6 | 4573641023 | Фонарь задний | Нет в продаже |
|
| 7 | 4573640999 | Фонарь освещения номерного знака | Нет в продаже |
|
| 8 | 4573641000 | Указатель габаритов | Нет в продаже |
|
| 9 | 1282000824 | Колодка семиконтактная | Нет в продаже |
|
| 10 | 9746 | Только для модели 9746 | Нет в продаже |
|
| 11 | 4524140025 | Жгут задних фонарей 9746-3724150 | Нет в продаже |
|
| 12 | 4524140027 | Жгут дорожный сигнализации 95231-3730100 | Нет в продаже |
|
1
2
3
3
4
4
5
6
6
7
7
8
8
9
9
11
12
Содержащиеся в справочниках-каталогах запасные части и детали носят исключительно информационный характер