Оригинальные каталоги
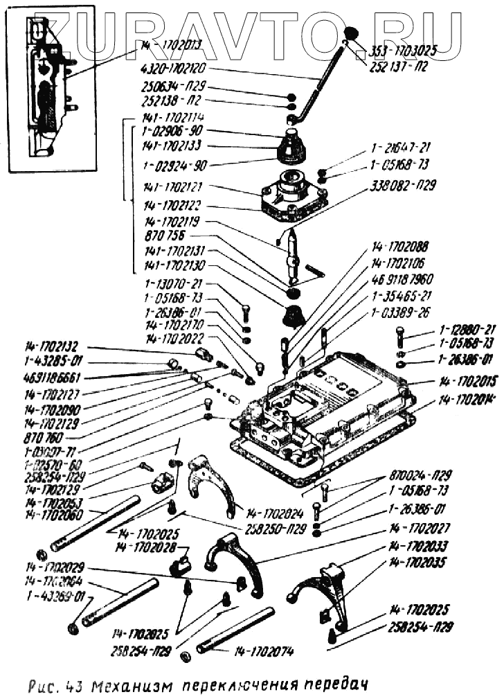
| № | Номер | Наименование | Цена | |
|---|---|---|---|---|
| 1-43289-01 | 1-43289-01 | Заглушка чашечная диаметром 25 | Нет в продаже |
|
| 870756 | 870756 | Штифт 10х75 | Нет в продаже |
|
| 1-13070-21 | 1-13070-21 | Болт М10х 1,25х40 | Нет в продаже |
|
| 1-05168-73 | 1-05168-73 | Шайба 10 пружинная | Нет в продаже |
|
| 1-26386-01 | 1-26386-01 | Шайба 10 | Нет в продаже |
|
| 258250-П29 | 258250-П29 | Шплинт-проволока 1,2х100 | Нет в продаже |
|
| 870024-П29 | 870024-П29 | Болт М10х1,25х40 | Нет в продаже |
|
| 1-12880-21 | 1-12880-21 | Болт М10х1,25х60 | Нет в продаже |
|
| 1-03389-26 | 1-03389-26 | Штифт 10х25 | Нет в продаже |
|
| 1-35465-21 | 1-35465-21 | Шпилька М10х1,25х30 | Нет в продаже |
|
| 252137-П2 | 252137-П2 | Шайба 12 пружинная | Нет в продаже |
|
| 1-21647-21 | 1-21647-21 | Гайка М10х1,25 | Нет в продаже |
|
| 1-02924-90 | 1-02924-90 | Хомут в сборе | Нет в продаже |
|
| 1-02906-90 | 1-02906-90 | Хомут в сборе | Нет в продаже |
|
| 252138-П2 | 252138-П2 | Шайба 14 пружинная | Нет в продаже |
|
| 353-1703025 | 353-1703025 | Рукоятка рычага в сборе | Нет в продаже |
|
| 14-1702088 | 14-1702088 | Стакан | Нет в продаже |
|
| Шарик 6 V 6,35 мм Н | Шарик 6 V 6,35 мм Н | Шарик 6 V 6,35 мм Н | Нет в продаже |
|
| 14-1702015 | 14-1702015 | Крышка коробки передач | Нет в продаже |
|
| 14-1702014 | 14-1702014 | Прокладка верхней крышки | Нет в продаже |
|
| 1-43285-01 | 1-43285-01 | Заглушка диаметр 16 чашечная | Нет в продаже |
|
| 870760 | 870760 | 870760 - штифт 870760 | Нет в продаже |
|
| 1-03007-71 | 1-03007-71 | Пробка М16х1,5 | Нет в продаже |
|
| 1-02570-60 | 1-02570-60 | Прокладка | Нет в продаже |
|
| 258254-П29 | 258254-П29 | Шплинт-проволока 1,2х200 | Нет в продаже |
|
| 250634-П29 | 250634-П29 | Гайка М14х1,5 | Нет в продаже |
|
| 338082-П29 | 338082-П29 | Шпонка сегментная 4х6,5 | Нет в продаже |
|
| 4320-1702120 | 4320-1702120 | Рычаг переключения передач | Нет в продаже |
|
| 141-1702114 | 141-1702114 | Наконечник рычага с опорой в сборе | Нет в продаже |
|
| 14-1702127 | 14-1702127 | Пружина предохранителя включения 1-й передачи и заднего хода | Нет в продаже |
|
| 141-1702130 | 141-1702130 | Пружина наконечника рычага | Нет в продаже |
|
| 14-1702129 | 14-1702129 | Предохранитель включения 1-й передачи и заднего хода | Нет в продаже |
|
| 141-1702121 | 141-1702121 | Опора рычага | Нет в продаже |
|
| 141-1702119 | 141-1702119 | Наконечник рычага | Нет в продаже |
|
| 14-1702013 | 14-1702013 | Крышка коробки передач верхняя | Нет в продаже |
|
| 14-1702053 | 14-1702053 | Головка штока переключения 1-й передачи и заднего хода | Нет в продаже |
|
| 14-1702028 | 14-1702028 | Головка штока вилки переключения 2-й и 3-й пе-редач (456623099) | Нет в продаже |
|
| 14-1702025 | 14-1702025 | Винт установочный | Нет в продаже |
|
| 14-1702033 | 14-1702033 | Вилка переключения 4-й и 5-й передач | Нет в продаже |
|
| 14-1702027 | 14-1702027 | Вилка переключения 2-й и 3-й передач | Нет в продаже |
|
| 14-1702106 | 14-1702106 | Пружина стопорного шарика механизма переключения передач | Нет в продаже |
|
| 14-1702170 | 14-1702170 | Сапун коробки передач | Нет в продаже |
|
| 14-1702132 | 14-1702132 | Стакан пружины предохранителя включения 1-й передачи | Нет в продаже |
|
| 141-1702133 | 141-1702133 | Колпак опоры защитный | Нет в продаже |
|
| 14-1702122 | 14-1702122 | Прокладка фланца верхней крышки | Нет в продаже |
|
| 14-1702022 | 14-1702022 | Втулка | Нет в продаже |
|
| Шарик БV 9,525 мм Н | Шарик БV 9,525 мм Н | Шарик БV 9,525 мм Н | Нет в продаже |
|
| 14-1702090 | 14-1702090 | Втулка шариков | Нет в продаже |
|
| 14-1702074 | 14-1702074 | Шток вилки переключения 4-й и 5-й передач | Нет в продаже |
|
| 14-1702064 | 14-1702064 | Шток вилки переключения 2-й и 3-й передач | Нет в продаже |
|
| 14-1702060 | 14-1702060 | Шток вилки переключения 1-й передачи и заднего хода | Нет в продаже |
|
| 141-1702131 | 141-1702131 | Шайба пружины рычага | Нет в продаже |
|
| 14-1702035 | 14-1702035 | Сухарь вилки переключения 4-й и 5-й передач | Нет в продаже |
|
| 14-1702029 | 14-1702029 | Сухарь вилки переключения 2-й, 3-й передач | Нет в продаже |
|
| 14-1702024 | 14-1702024 | Вилка переключения 1-й передачи и заднего хода | Нет в продаже |
|
1-43289-01
870756
1-13070-21
1-05168-73
1-05168-73
1-05168-73
1-05168-73
1-26386-01
1-26386-01
1-26386-01
258250-П29
870024-П29
1-12880-21
1-03389-26
1-35465-21
252137-П2
1-21647-21
1-02924-90
1-02906-90
252138-П2
353-1703025
14-1702088
Шарик 6 V 6,35 мм Н
14-1702015
14-1702014
1-43285-01
870760
1-03007-71
1-02570-60
258254-П29
258254-П29
258254-П29
250634-П29
338082-П29
4320-1702120
141-1702114
14-1702127
141-1702130
14-1702129
14-1702129
141-1702121
141-1702119
14-1702013
14-1702053
14-1702028
14-1702025
14-1702025
14-1702025
14-1702033
14-1702027
14-1702106
14-1702170
14-1702132
141-1702133
14-1702122
14-1702022
Шарик БV 9,525 мм Н
14-1702090
14-1702074
14-1702064
14-1702060
141-1702131
14-1702035
14-1702029
14-1702024
Содержащиеся в справочниках-каталогах запасные части и детали носят исключительно информационный характер