Оригинальные каталоги
| № | Номер | Наименование | Цена | |
|---|---|---|---|---|
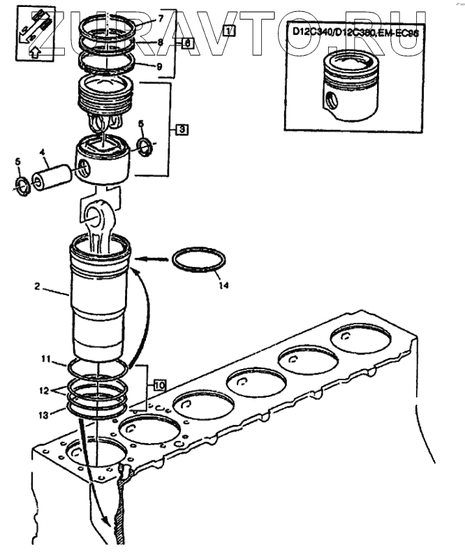
| 1 | 85103175 | Гильза цилиндра | Нет в продаже |
|
| 1 | 276921 | Гильза цилиндра | Нет в продаже |
|
| 1 | 276939 | Гильза цилиндра | Нет в продаже |
|
| 2 | [Гильза цилиндра] | Гильза цилиндра | Нет в продаже |
|
| 3 | [Поршень] | Поршень | Нет в продаже |
|
| 4 | 3155115 | Поршневой палец | Нет в продаже |
|
| 5 | 914530 | Стопорное кольцо | Нет в продаже |
|
| 6 | 276949 | Комплект поршневых колец | Нет в продаже |
|
| 6 | 85103174 | Комплект поршневых колец | Нет в продаже |
|
| 7 | 20381139 | Компрессионное кольцо | Нет в продаже |
|
| 7 | 1677466 | Компрессионное кольцо | Нет в продаже |
|
| 8 | 20411237 | Компрессионное кольцо | Нет в продаже |
|
| 8 | 1677468 | Компрессионное кольцо | Нет в продаже |
|
| 9 | 3184885 | Маслосъемное кольцо | Нет в продаже |
|
1
1
1
2
3
4
5
5
6
7
8
9
Содержащиеся в справочниках-каталогах запасные части и детали носят исключительно информационный характер