Оригинальные каталоги
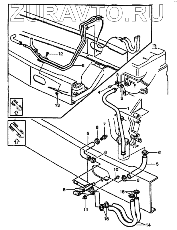
| № | Номер | Наименование | Цена | |
|---|---|---|---|---|
| 1 | 8149265 | Трубка охлаждения | Нет в продаже |
|
| 1 | 8149266 | Трубка охлаждения | Нет в продаже |
|
| 2 | 1547252 | Уплотняющее кольцо | Нет в продаже |
|
| 3 | 1546531 | Зажим | Нет в продаже |
|
| 4 | 946440 | Болт с фланцем | Нет в продаже |
|
| 5 | 3154395 | Шланг радиатора | Нет в продаже |
|
| 6 | 980130 | Хомут | Нет в продаже |
|
| 7 | 981250 | Ниппель | Нет в продаже |
|
| 8 | 1674306 | Труба охлаждения | Нет в продаже |
|
| 9 | 3979933 | Трубка охлаждения | Нет в продаже |
|
| 10 | 945444 | Болт с фланцем | Нет в продаже |
|
| 11 | 948645 | Гайка с фланцем | Нет в продаже |
|
| 12 | 946173 | Болт с фланцем | Нет в продаже |
|
| 13 | 948645 | Гайка с фланцем | Нет в продаже |
|
| 14 | 3154396 | Шланг радиатора | Нет в продаже |
|
| 15 | 980130 | Хомут | Нет в продаже |
|
1
2
3
4
5
5
6
6
6
6
7
8
9
10
11
12
13
14
15
15
Содержащиеся в справочниках-каталогах запасные части и детали носят исключительно информационный характер