Назад

Оригинальные каталоги

zoom-in zoom-out enlarge shrink circle-right circle-left file-text2 info cart
Номер Наименование Цена
412-1004061 412-1004061 Болт шатуна с гайкой в сборе Нет в продаже
412-1004045-А 412-1004045-А Шатун в сборе Нет в продаже
412-1004015-ВР 412-1004015-ВР Поршень увеличенный на 1,0 мм Нет в продаже
412-1004015-БР 412-1004015-БР Поршень, увеличенный на 0,5 мм Нет в продаже
412-1004010 412-1004010 Поршень нормального размера и шатун в сборе Нет в продаже
412-1004013-ВР 412-1004013-ВР Поршень увеличенный на 1.0 мм в сборе Нет в продаже
412-1004014-ВР 412-1004014-ВР Поршень в сборе, увеличенный на 1,0 мм Нет в продаже
412-1004013-БР 412-1004013-БР Поршень увеличенный на 0,5 мм в сборе Нет в продаже
412-1004014-БР 412-1004014-БР Поршень в сборе, увеличенный на 0,5 мм Нет в продаже
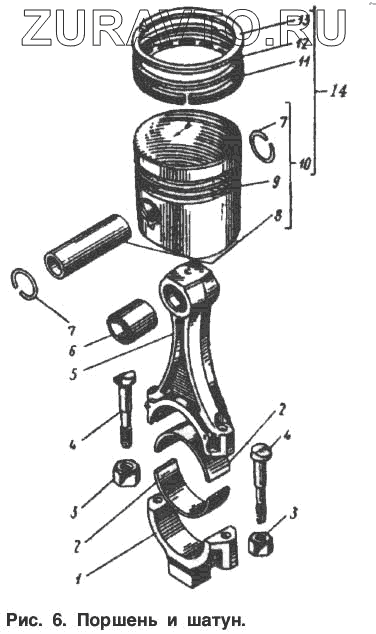
1 412-1004055-Б Крышка шатуна Нет в продаже
2 412-1004058-03 Вкладыш шатуна Нет в продаже
3 412-1004064 Гайка болта крышки шатуна Нет в продаже
4 412-1004062-01 Болт крепления крышки шатуна Нет в продаже
5 412-1004050-Б Шатун Нет в продаже
6 412-1004052 Втулка шатуна Нет в продаже
7 412-1004022 Кольцо поршневого пальца стопорное Нет в продаже
8 412-1004020 Палец поршневой Нет в продаже
9 412-1004015 Поршень нормального размера Нет в продаже
10 412-1004014 Поршень в сборе нормального размера Нет в продаже
11 412-1004035 Кольцо поршневое маслосъемное нормального размера Нет в продаже
12 412-1004025 Кольцо поршневое компрессионное нормального размера Нет в продаже
13 412-1004030*1 Кольцо поршневое компрессионное (Кольцо хромированное устанавливается только на новые двигатели, выпускаемые заводом) Нет в продаже
14 412-1004013 Поршень нормального размера в сборе Нет в продаже
1
2
2
3
3
4
4
5
6
7
7
8
9
10
11
12
13
14
100%
Содержащиеся в справочниках-каталогах запасные части и детали носят исключительно информационный характер